生物滴滤塔处理某化工厂臭气工艺设计毕业论文
摘 要
石化工厂排放的臭气严重影响车间工作环境,直接排放更会有严重危害。恶臭危害很大,对人体消化、呼吸、内分泌、心血管及神经系统都会造成重大影响,浓度高时还可使接触者发生肺水肿现象甚至窒息死亡,故有必要设计臭气处理系统。臭气经过处理后主要污染物甲烷、乙酸甲酯、二氧化硫、硫化氢等污染物质的排放浓度降低,到达了相应的规定相关行业排放标准。
为了使该石化工厂的臭气能够达标排放,这次毕业设计的选题是生物滴滤塔处理某化工厂臭气工艺设计,通过基础资料结合所学知识,与实际相联系解决问题。针对化工厂的典型臭气(甲烷、乙酸甲酯、二氧化硫、硫化氢)设计臭气收集装置,通过阀门控制顺流和逆流两种运行模型,分别采取卧式和立式生物滴滤塔对臭气进行处理。塔前设计碱液吸收池强化臭气的吸附。设计说明书主要是对各种构筑物以及配备设备的设计计算及选型,确定构筑物各主要参数及设施的型号。最后利用CAD制图软件将所设计的臭气处理工艺的流程图及主要构筑物的细节图绘制出来。
关键词:恶臭;臭气处理;生物滴滤塔
Abstract
The odors emitted by petrochemical plants seriously affect the work environment of the workshop, and direct emissions also have serious hazards. Odor is very harmful, and it has a major impact on the digestive, respiratory, endocrine, cardiovascular and nervous systems of the human body. When the concentration is high, it can also cause pulmonary edema and even suffocation of contact. Therefore, it is necessary to design an odor treatment system. After the odor has been treated, the concentration of pollutants such as methane, methyl acetate, sulfur dioxide and hydrogen sulfide have been reduced, and the emission standards for related industries have been reached.
In order to achieve the discharge of odors from the petrochemical plant, the subject of this graduation project is the treatment of the odor process of a chemical plant by a biotrickling filter tower. The basic knowledge of the odor of the chemical plant is combined with the basic knowledge to solve the problem. The odor collection device is designed for the typical odors (methane, methyl acetate, sulfur dioxide, and hydrogen sulfide) in chemical plants. Both the horizontal and vertical biotrickling filter towers are used to control the odor by controlling both the forward and reverse flow operation models through valves. The lye absorption tank designed in front of the tower enhances the adsorption of odor. The design specification is mainly for design calculation and selection of various structures and equipped equipment, and determine the main parameters of the structure and the model of the facility. Finally, using the CAD drawing software, the flow chart of the designed odor treatment process and the details of the main structures are drawn.
Key words:The odor gas;Odor treatment;Biological trickling tower
目录
摘要 I
Abstract II
第1章 绪论 1
1.1背景介绍 1
1.2恶臭气体的危害 1
1.3恶臭处理方法 1
1.4生物法处理恶臭的选择 3
第2章 设计任务 5
2.1设计内容 5
2.2设计要求 5
2.3方案选择 6
2.3.1生物滴滤技术的优势 6
2.3.2生物滴滤塔 6
第3章 工艺设计计算 10
3.1生物滴滤塔工艺参数确定 10
3.1.1生物滴滤塔影响因素 10
3.1.2填料选择 11
3.1.3菌源选择 11
3.1.4工艺参数确定 11
3.2工艺流程及操作 13
3.2.1工艺流程图 13
3.2.2立式生物滴滤塔操作说明 14
3.2.3卧式生物滴滤塔操作说明 14
3.3反应器设计 15
3.3.1臭气混合器设计 15
3.3.2碱洗预处理装置 16
3.3.3填料体积计算 16
3.3.4生物滴滤塔设计 17
3.4营养喷淋量,储液槽及水泵设计 18
3.4.1营养液喷淋量确定 18
3.4.2储液槽 18
3.4.3水泵选型 19
第4章 管道布设及总压力损失计算 20
4.1集气罩设计 20
4.1.1设计原则 20
4.1.2集气罩的计算 20
4.2管径及管道部件选择 24
4.2.1管径计算及管道选择 24
4.2.2管道部件选择 25
4.3水冷套管计算 28
4.3.1水冷套管设计参数 28
4.3.2水冷套管计算 29
4.4 管道压力损失计算 32
4.4.1管道布置图 32
4.4.2管道压力损失计算 34
4.5阻力平衡核算 37
4.6总压力损失计算 39
第5章 风机选型 40
5.1通风机设计参数选择与计算 40
5.1.1通风机风量 40
5.1.2通风机全压 40
5.2通风机选型 40
5.2.1选择通风机 40
5.2.2复核电动机功率 41
5.2.3风机运行调节 41
5.3烟囱设计 42
参考文献 43
致谢 45
第1章 绪论
1.1背景介绍
我国在恶臭治理方面起步较迟,但在改革开放之后,恶臭处理行业在经济与生活水平提高的背景下被带动起来,国家生态环境部在1994年1月15日批准并实施了相关标准——《恶臭污染物排放标准》GB14554-93,以控制恶臭污染物。
臭气污染处理会带来很多负面的影响,恶臭对人体消化、呼吸、内分泌、心血管及神经系统都会造成重大影响,浓度高时还可使接触者发生肺水肿现象甚至窒息死亡,恶臭气体逸散到空气、水体中也会对环境造成严重的危害。1858年英国伦敦的大恶臭事件、日本川崎市1961年8~9月的接连发生过三次恶臭公害事件均对居民造成严重影响,恶臭对于人们生活的影响已经涉及方方面面[1-5]。由此可见,恶臭气体的处理是非常必要的,国家需要设立相应的政策,拨动专项资金以完善恶臭污染处理的工作。
我国臭气污染处理的工艺与设备的上升空间还很大,目前的专业单位还不多,还不具备对项目的综合管理运行能力。即使对于一些发达国家来说,恶臭处理也是一个比较新的领域。早期技术(借鉴于吸收、氧化、吸附、燃烧等操作技术)目前已经相当成熟。目前来说,恶臭处理的主流方法仍然是单元操作。
在这种背景下,恶臭处理的设计也引起了重视,本次设计的内容即针对某化工厂的基础资料,主要处理污染物及浓度为甲烷100 mg/m3,乙酸甲酯300 mg/m3,二氧化硫400 mg/m3,硫化氢20 mg/m3,处理后达到要求的标准排放,结合已学的大气污染处理知识和有关知识,把方案的实用性和经济性考虑进去,来计算并设计该化工厂的臭气处理工艺。
1.2恶臭气体的危害
恶臭污染作为世界七大公害之一,危害甚大。恶臭对人体消化、呼吸、内分泌、心血管及神经系统都会造成重大影响,浓度高时还可使接触者发生肺水肿现象甚至窒息死亡,恶臭气体逸散到空气、水体中也会对环境造成严重的危害。浓度较高的恶臭气体会对人体的眼睛、皮肤、呼吸器官等造成刺激或伤害,危及人的呼吸、消化、循环和神经系统,严重时更会致人中毒和死亡。
1.3恶臭处理方法
恶臭废气的治理方法主要物理法、化学法和生物法这三种方法。这三种方法的优缺点和特点都各有不同,我们在选择处理工艺时主要是依据恶臭污染物的种类、性质、浓度、排放量以及处理环境、要求和方法的适用性来确定。对于恶臭污染物的治理必须联系实际情况进行分析和选择。
(1)物理法
物理法主要包括掩蔽法、稀释扩散法两种。前者主要是利用气味更强烈且令人愉悦的化学物质与臭气混合,从而掩盖臭气或使其物理性质发生改变,达到降低污染的目的。后者则是通过高空扩散或者是稀释的方式减弱恶臭的浓度降低其影响,这两种方法都只发生物理过程。
(2)化学法
在处理恶臭污染的过程中,利用某些特殊的化学物质,使其与恶臭污染物质发生一系列的反应,恶臭气体被除去的过程称为化学法除臭。目前常见的化学除臭法主要涵盖燃烧法、吸收法和吸附法。
(3)生物法
生物法的原理是通过培养具有代谢作用的微生物,将恶臭气体导入到生物处理系统中,让其溶于水中,成为微生物的营养物质而被吸收、分解与利用,是的恶臭物质被转化而达到最终去除恶臭气体的目的。生物法处理恶臭气体在目前来看主要分为三种,包含生物过滤法、滴滤法与洗涤法[6-8]。
三种治理恶臭气体的方法在实际运用中各有优缺点。故在实际运用中,在考虑建设成本的基础的上,综合兼顾处理环境、恶臭气体类型、性质等各种因素,选用与之相适应的方法。而三种治理恶臭气体方法的优缺点见表1.1。
表1.1 除臭方法对比
方法 | 特点 |
物理法 | 除臭效果好,但设备与运行费用高,但处理过程控制复杂,一般用于处理高浓度小气量的有机废气、不适合用于臭味控制。 |
化学法 | 化学除臭法须配备较多的附属设施,运行管理较为复杂,运行费用较高,效率较低,会产生二次污染,且除臭效果一般,无特殊要求一般不选用此法。 |
生物法 | 生物除臭法是目前应用最为广泛。与化学除臭法相比,其运行成本稍高,但一次性投资较低,技术较成熟可靠,无二次污染及菌种选择针对性强、吸附处理效果好等优点,集成自动化程度高,可实现全自动操作,压降小、点地面积小、运费成本低、去除效率高。生物除臭床适应范围广, 是较为经济的除臭方法。 |
1.4生物法处理恶臭的选择
根据以上分析,生物法是利用微生物对于恶臭物质的降解性来使气体脱臭,该法主要适用于可生物降解的水溶性恶臭物质的去除。生物法相对物理法和化学法更为经济实用,它的投入成本较低、运行维护较简单、去除效率较高,同时不存在二次污染问题,对于低浓度恶臭气体,生物处理法的优越性更是不可比拟:
- 处理效率高
一般在 HRT = 1~2min,最短处理时间仅需20s就可达到85%~95%的处理效率,并且处理结果彻底,含S有机物转化成S和,对不含N的有机物分解成为和。
- 运行成本低廉
生物法仅需维持适宜的pH、浓度及湿度环境,添加适量的微生物生长源即可。与常见的处理方式如燃烧法、活性炭吸附法和化学吸收法等其它相比,生物处理法具有处理过程稳定、动力消耗少、运行费用低等显著的优点。
- 无二次污染。
综上,本次设计选择生物法来处理该化工厂的臭气污染。
第2章 设计任务
2.1设计内容
本次设计内容为生物滴滤塔处理某化工厂臭气工艺设计,要求如下:了解化工厂臭气产生的特性、规律、危害及常用治理手段;了解化工厂的工艺流程并掌握相关除臭工艺的主要原理和特征;设计出针对该化工厂的除臭工艺,绘制设计图纸。设计生物滴滤塔以实现臭气的有效控制,将各个污染源产生的污染物经由臭气混合器均匀混合后进行碱液吸收和生物除臭处理最后达标排放。重要污染物浓度及相应的排放标准如下表2.1。
表2.1 重要污染物流量、浓度及相应的处理标准
编号 | 污染物名称 | 流量(m3/h) | 浓度 (mg/m3) | 处理标准(mg/m3) | 去除率 (%) |
1 | 甲烷 | 300 | 100 | 40 | 60.0% |
2 | 乙酸甲酯 | 300 | 300 | 50 | 83.3% |
3 | 二氧化硫 | 100 | 400 | 5 | 98.8% |
4 | 硫化氢 | 100 | 20 | 10 | 50.0% |
2.2设计要求
本次设计选取两种生物滴滤塔——立式生物滴滤塔和卧式生物滴滤塔,通过阀门控制顺流和逆流进行对比试验,研究它们对于除臭效果的影响。首先对石化工厂产生的臭气进行收集,恶臭气体采用管道输送汇集到主风管,经臭气混合器均匀混合,最后进入到主处理设施而后排空。送气管道要根据实际布设、计算总压力损失(收集管线总压力损失,处理管线压力损失及装置压力损失)并进行校核,依据风量和全压选择合适的通风机及配套电动机并复核电动机功率,以确定符合实际的设计参数。设计绘制要求CAD图纸要布局合理,按照计算的大小来绘制,符合相应的标准要求,标注要清晰合理;最终图纸不少于6张。
2.3方案选择
2.3.1生物滴滤技术的优势
生物洗涤法、生物过滤法和生物滴滤法在废气污染处理中较为常用,三种方法的优缺点[9-13]如表2.2所示。
如表所示,对三种废气处理方法进行比较,生物滴滤法由于其微生物密度高、去除效率高、停留时间短、使用寿命长、空隙率高、抗负荷冲击能力强和反应条件易于控制等特点,故适合处理含硫、含氮等微生物降解过程中酸性代谢产物的废气。此外,生物滴滤器由于其反应条件能够人为操作控制,所以生物滴滤塔中的环境更适合微生物的生长和繁殖。生物滴滤塔的单位体积填料的生物量相对生物过滤塔较多,也更适于处理净化负荷较高的废气。同时,由于生物滴滤器的间歇式营养液喷淋过程,滤塔内就不会形成稳定的液相流,从而对于一些水溶性差、难生化降解的VOCs能够进行更好的处理去除[14-18]。
表2.2 废气生物处理方法比较
处理方法 | 优点 | 缺点或局限性 | |||
生物洗涤法 | 中等投资费用,能处理含颗粒物的废气,占地面积相对小,能适应各种负荷 | 运行费用高昂,大量沉淀时性能下降,复杂的化学进料系统,不能去除大部分疏水性物质 | |||
生物过滤法 | 设备简单,成本低,投资和运行费用低,抗冲击能力较强,低压降,有效去除低浓度废气 | 占地面积大,隔 2~3 年换填料,不适宜处理高浓度废气,温度、湿度和pH 难以控制,颗粒物会堵塞滤床 | |||
生物滴滤法 | 设备简单,成本低,中等投资,低运行费用,去除效率高,有效去除产酸污染物 | 建造操作比生物过滤复杂,营养物添加过量时,可能会引起微生物大量繁殖,造成填料堵塞 | |||
2.3.2生物滴滤塔
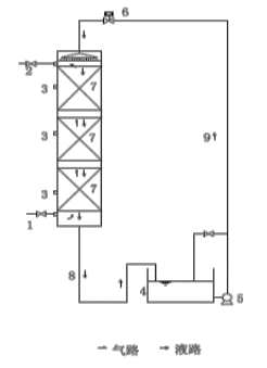
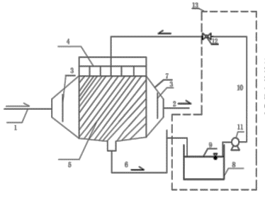
对于生物滴滤塔塔体的选择,有三种方案,分别是逆流式生物滴滤塔、顺流式生物滴滤塔和错流式生物滴滤塔。三种方案对应的工艺流程图如图2.1、图 2.2、图2.3 所示:

以上是毕业论文大纲或资料介绍,该课题完整毕业论文、开题报告、任务书、程序设计、图纸设计等资料请添加微信获取,微信号:bysjorg。
相关图片展示:







课题毕业论文、开题报告、任务书、外文翻译、程序设计、图纸设计等资料可联系客服协助查找。
