C-PET废旧塑料回收自动分选机设计毕业论文
摘 要
现今阶段,我们可以在社会的各个角落见到塑料制品发挥巨大的作用。诚然,使用塑料制品让我们的生活更加多姿多彩,但是,越来越多的废旧塑料垃圾也使得我们城市环境越来越差。废旧塑料的种类很多,不同种类的塑料需要不同的处理方式,我们需要针对不同的塑料设计出独特的分选方法。
分析国内外发展趋势,针对上料装置和分选装置进行设计,选择原盘振动上料装置作为上料装置并设计气动系统作为分选装置来进行分选。设计出分选机的模型。
对物料在运动过程中的运动状况做受力分析,从而模拟出整体装置的工作状况。针对上料装置的弹簧做强度校核来保证装置工作过程的安全性。
关键词:废旧塑料,圆盘上料机,气动分选系统,振动给料
Abstract
At this time, we can see that plastic products play an enormous role in every corner of society. It is true that using plastic products has made our lives more colorful. However, more and more waste plastic waste also makes our urban environment worse and worse. There are many kinds of waste plastics. Different types of plastics require different treatment methods. We need to design unique sorting methods for different plastics.
Analyze the development trend at home and abroad, design for the feeding device and the sorting device, select the original plate vibration feeding device as the feeding device, and design the pneumatic system as the sorting device for sorting. The model of the sorter was designed.
A force analysis is performed on the motion of the material during the exercise so as to simulate the working condition of the overall device. The strength of the spring of the feeding device is checked to ensure the safety of the device working process.
Keywords: waste plastic, disc feeder, pneumatic sorting system, vibratory feed
目录
第1章 绪论 2
1.目的及意义 2
1.1论文研究的目的 2
1.2论文研究的意义 2
2.废旧塑料回收装置的发展历史与国内外现状 2
3.研究(设计)的内容 4
3.1研究(设计)的基本内容 4
3.2研究(设计)的目标 4
3.3研究(设计)拟采用的技术方案及措施 4
第2章 回收分选机的方案设计 5
2.1基本要求 5
2.2方案流程图 5
2.3各个机构的方案设计 5
2.3.1上料装置的设计 5
2.3.2分选装置的设计 6
第3章.废旧塑料自动分选机的结构设计 8
3.1圆盘自动上料机设计 8
3.1.1 参数的选择与计算 8
3.1.2 结构的设计 9
3.2气流分选系统设计 11
3.2.1 空气压缩机 11
3.2.2滤清器 12
3.2.3 空气喷嘴与单向阀 14
第4章 运动分析与仿真 15
4.1气动系统计算 15
4.1.1风选的原理以及特征 15
4.2.2 风选的参数计算 16
4.2弹簧的校核 18
4.3料斗中工件的运动分析 19
4.4仿真 20
图4.3物料在传送带上的示意图 21
图4.4物料在空中的路径示意图 21
图4.5 物料飞入聚料箱示意图 21
第5章 结论与展望 22
参考文献 23
致谢 24
第1章 绪论
1.目的及意义
1.1论文研究的目的
手工分拣是行业中最常用的分拣方法,但手动分拣具有不可避免的缺陷,如工作强度高,分拣精度低。因而我们使用最新的近红外技术(NIR),通过设计振动上料装置,输送装置以及风力分选机构,自动分类废旧塑料。自动化的塑料分选线可以有效降低工人劳动强度,减少企业成本,从而在给环保行业助力的同时给企业带来更高的效益,促进行业发展。
1.2论文研究的意义
废塑料在城市生活中的比重逐年增加,对生态环境的破坏程度日益加剧。据报道,回收1万吨废塑料相当于在回用后节约万吨油,同时减少废塑料的处理量,相当于减少二氧化碳排放量1万吨。对废塑料进行分类回收再利用,不仅可以创造新的资源,而且可以成为保护环境,实现可持续发展的有效手段。通过设计废旧塑料回收装置可以有效提高废弃塑料的回收处理速度,降低此行业的劳动强度,提高废塑料的回收利用率和相关企业的盈利能力,促进该行业的发展。
2.废旧塑料回收装置的发展历史与国内外现状
国外研究现状
在废旧塑料的循环回收的产业线中,很重要的一点就是如何设计研究废旧塑料机,因而世界上诸多国家无一不在进行这种设备的开发。整个世界的塑料消耗量越来越大,2015年末已经接近3亿吨。塑料废弃物的快速增长导致了社会问题和环境问题的日趋严重,作为减轻塑料废物对环境造成危害的有效途径,废旧塑料只有回收才能减轻危害,因而很多国家和相关企业都在密切关注这种技术。
国外的塑料分选发展的比较早,因而在技术上有一定程度的领先。在北美,有公司利用不同塑料溶解能力不同的特性开发了一种技术,这种技术的出现使塑料分选告别了人工分选,而是利用塑料在不同温度下在不同溶剂中不同的溶解性由来完成分离。二甲苯是我们最常用的溶剂,价格是最合适的,利用这项技术,现在可以将聚氯乙烯(PVC)、聚苯乙烯(PS)、低密度聚乙烯(LDPE)、高密度聚乙烯(HDPE)、聚丙烯伊(PP)和聚对苯二甲酸乙二醇(PET)6种常用塑料进行分离。国外对于废旧塑料回收分选的相关装置和技术发展相较于国内比较先进,投入的研发精力和资金也超过国内。欧洲的Govini公司使用X射线作为筛选原理并设计出了相关的装置来使得不懂种类的物料达到区分的效果。德国Refrakt公司利用最新的技术区分不同塑料。不一样的塑料有不一样的特点,性质也有诸多不同,如塑料在不同溶剂中溶解度不同的原理,当我们通过各种措施使塑料液化后我们就有许多种方式将不同的塑料从相同的溶剂中分离开来。已经有欧洲国家在利用了这种技术后使得企业有了更强的市场竞争力。
如今社会工业发展趋势是智能化和自动化,当今许多国家都在发展自动化材料回收设施。美国不仅是全球最大的塑料生产国,并且也是世界上最大的塑料消费国,废塑料制品回收率有一半以上,在欧洲许多国家,旧塑料制品的回收率超过一半。其中,瑞士瓶装废塑料的回收率超过80%。日本塑料处理促进协会和东亚电波工业公司共同开发成功将用过的塑料瓶自动分拣装置。利用近红外装置,经透光分析将聚醋、氯乙烯和其他塑料瓶分为3类.便于塑料回收利用。目前,许多国家对废塑料回收利用技术在回收过程中的各种分选方法进行了广泛的研究,但距离投入实际生产应用仍有一定距离,因而NIR筛选应用于实际生产过程中还有很多要改进的地方,存在分选率比不是很理想,低分选效率不达标的情况,有很大提升空间。
日本企业已经使用了旋风分离的方法,并根据原西德塑料原料工业联盟模型试验的结果,可以利用水力旋流器来进行分选。它将混合废塑料PVC和聚乙烯(PE)作为浆液处理,并通过水力旋流器排出低密度塑料(如PVC)浆液。通过使用这种技术,可以使用适当的操作条件,例如流入速率,颗粒浓度等来有效分离密度小于水或大于水的塑料,特别是,密度差约为500 kg/ m3且厚度大于0.3 mm的塑料,} 如聚氯乙烯( PVC)和聚丙烯( PP),一次分离率就可达99.9%。
国内研究现状
1979年改革开放以后,随着经济的发展,据中国塑料工业协会2000年统计,中国塑料年产量1078.5万吨,年产量2366.5万吨,年增长583.88万吨。 但是,塑料的年回收率不到塑料总量的25%。 与此同时,中国城市生活垃圾中的塑料废弃物量同比增长8%至21%,体积率超过30%。
我国在早期一直没有开展垃圾分选的工作,这些年才逐渐重视起来。目前,主要的应用方法仍然是基于最原始的手工选择方法。 依靠手工分拣,这是低效率和劳动密集型的。很多方式,例如回收公司在回收的瓶子上贴上标签或者制造公司制造将不同塑料的视觉区别特点放大,然后进行人工分类。这种方法在实际生产中非常不实用,工人劳动强度大,严重影响了我国废塑料的分选和利用。
3.研究(设计)的内容
3.1研究(设计)的基本内容
为了实现废旧塑料的自动上料、分选,需要设计上料机构,输送机构与分选机构来完成相关要求。
3.2研究(设计)的目标
我首先要设计上料装置,我将在直线式振动筛以及原盘振动上料机构中选择最合适的从而实现我的上料需求,之后我将设计输送装置将废弃塑料瓶输送到之后的分选装置中。分选机构是通过NIR装置来进行塑料瓶的区别从而控制的,气动的分选系统将主要由空气压缩机、滤清器、稳压器以及单向阀以及空气喷嘴组成。
3.3研究(设计)拟采用的技术方案及措施
检查相关材料并绘制每个机构的草图
根据所学知识,分别绘制了进料机构,输送机构和分选机构的草图。
设计具体参数并完成相关机构的具体设计
选择合适的风力分选设备,根据具体塑料重力和密度计算空气动压力等参数,设计喷嘴
通过Solidworks、AutoCAD等软件画出装配图
第2章 回收分选机的方案设计
2.1基本要求
回收废旧塑料瓶的自动分选机应该在满足使用要求的前提下尽量提高分选精度和回收效率,达到技术先进,经济合理,安全性有保障的要求。
2.2方案流程图
2.3各个机构的方案设计
2.3.1上料装置的设计
常见的废旧塑料上料装置主要有直线式和圆盘式两种。直线式振动筛的振动源常采用激振电机,物料在筛网上被抛起,同时向前直线前进,物料从前一个进料器均匀进入进料口并通过筛网,通过筛网的不同层数产生多种不同大小的筛上物与筛下物并分别从各自的出口排出。具有能耗低,工作效率高,结构简单,维修方便,全封闭结构,无粉尘溢出,排放方便等优点,广泛应用于流水作业。
圆盘振动料斗电磁振动料斗是一种很常见的上料装置 , 其机械结构比较简单 , 工作时功率较低 , 工作状态安全可靠 , 不同机构之间的摩擦磨损较小, 物料在工作过程中不易受到损伤 , 上料速度可以通过多种途径来改变 。按激振方式分为电磁振动型,机械振动型和气动振动型。电磁式圆周振动料斗使我们最经常见到的振动料斗 。振动料斗利用微小的电磁力产生微小的振动,依靠惯性力和重力的综合作用,沿着槽向上和向前驱动物料,在进料自动定位的过程中,可以使物料在指定的方向上单向定位和输出,它是一种常用的件料上料机构。
圆盘式振动料斗的工作情况如下 :①在送料的时候可以减缓物料和料斗壁的冲击,因为一直是振动抛掷,工件不停的在螺旋槽上跳动,从而没有太大的摩擦磨损。因此一般不会损害材料和加工表面的精度。它也不会产生堵塞,这适用于已经加工的零件,以及薄壁,弹性,脆性零件;②定位方便,通用性强,输送具有不同形状特征的不同部件,只要更换定向部件,振动料斗等结构均可使用;③喂料速度快,喂料速度快,调节方便;④结构简单 , 易于维护 , 比较耐用 。
圆盘振动料斗的工作原理并不复杂。交流电输出并经过半波整流后被输入至电磁铁,电磁铁的产生频率为 50Hz的磁性吸力, 料斗底部设置衔铁,在电磁铁通电,磁铁与衔铁仙湖作用,料盘又开始往复运动。由于在料斗底部边缘的同一圆周上相隔 120°并倾斜 放置的三根弹簧(个别也有用四根弹簧 , 其相互间隔 90°)的作用 , 使料斗下降的同时 , 产生沿弹簧倾斜 方向的圆周扭转 。当电磁铁的磁力迅速减小并趋近于零时 , 弹簧作为一个有储能功效的元件,可以使得料盘在此时受力 , 向与之前相反的方向运动 , 恢复到初始位置 。如此在电磁力作用下 , 料斗不断做螺旋回转运动, 从而使得料盘内的物料, 沿着料斗内壁的螺旋槽有规律的排列前进 ,并从料斗顶部进入外面的料道, 沿指定轨道前进。
2.3.2分选装置的设计
物料经过上料装置排序上料后,需要进行分选。而分选过程分为确认和分料两步。经历振动上料机的给料过程后,形状相近的物料呈有序排列经传送带输送到分选装置。而分选的需求是根据物料的材料不同来分选出我们所需材料的物料。传统方式的分选是通过手工来进行分选,这种方式有诸多弊端,因而我们在分选装置的设计中选用NIR(近红外)装置来进行筛选。
近红外光谱(Near Infrared,NIR)是一种比较先进的区分技术,它是多个学科交叉后应运而生的高科技,应用范围日渐广泛。在普通群众和官方等各个方面取得了较高的认可度。
气流分选装置在分选过程中有很重要的作用。风力分离是一种通过利用空气介质中不同力下分离的物质成分的沉降规律差异来分离它们的方法。这种新兴的方法因为自身所具有的很多优点,目前在世界上的应用日益广泛。材料的运动轨迹主要受其自身重力和风力的联合作用力影响。根据不同的气流方向,可分为水平气流,垂直气流和倾斜气流。选择垂直气流分选可以使得从传送带上输送的物料按预定的线路运动。
气动系统的设计需要考虑到诸多方面的因素,经资料查询后,我选择了空气压缩机,滤清器,稳压器,阀体以及空气喷嘴作为主要部件设计气动系统。
对于选择空气压缩机,我选择了一种长距离,经过验证的技术的旋片式空气压缩机。奥突斯OTS-750W-30L无声空气压缩机,并配备了小型无油静音空压机打气泵。
空气滤清器空气滤清器主要应用于气动机械,内燃机械等领域,作用是为这些机械设备提供洁净空气,为了防止这些机械装置在工作期间吸入空气中的异物,磨损和损坏的可能性增加。空气过滤器的主要部件是过滤器元件和外壳,其中过滤器元件是主要的过滤器元件。气体过滤器工作,外壳是为过滤元件提供必要保护的外部结构。 空气过滤器的工作要求是能够进行高效率的空气过滤工作,而不会增加太多的气流阻力,并且可以长时间连续工作。
电磁阀的选择方面,我选择了德国festo公司生产的HA-1/2-QS-12型单向电磁阀。
第3章.废旧塑料自动分选机的结构设计
3.1圆盘自动上料机设计
3.1.1 参数的选择与计算
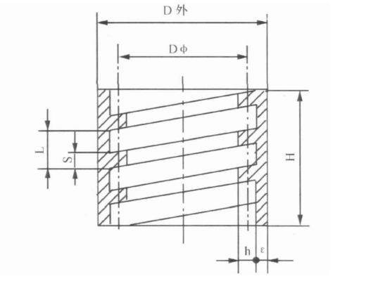
圆盘式上料机的基本组成部分有料斗、托盘、电磁铁、铁衔、弹簧、底板以及橡胶底脚。其中最重要的参数就是料斗的尺寸参数。

图3.1料斗结构示意图
如图所示料斗的基本参数如下所示
(1)料斗直径Dφ。料斗直径就是整个料斗圈的直径,其大小取决于要上料的零件尺寸和零件的装载数量,通常来说,Dφ要取小些,从而使料斗的结构紧凑一些,尺寸要尽量合适,如果尺寸值不太小了上料也不会很方便,通常情况Dmin=(8~12)L料(L料为物料外形的最大尺寸,单位mm;料斗圈的壁厚ε也应该尽量设计的薄一些,通常壁厚多取值小于3mm但也要大于1mm,对于塑料料斗也应取值于8~10mm的范围内)。
(2)螺旋槽的主要形式。螺旋槽与料壁组合形成的料斗圈一般采用整体式,其主要形式是料盘的内壁和料槽是用同样的物料共同加工而成的;镶焊式也我们最常用的形式之一,将料槽焊与料盘焊接住。
(3)螺旋槽的螺旋升距L。料斗直径确定不变的时候,螺旋升距的变动和螺旋升角也有很重要的关系,所以在决定L的时候应该同时考虑λ的变化,除此之外,避免物料的堆砌也是设计过程中必须考虑的因素,一般取L=1.5h料 δ(h料是件料在螺旋槽中的定向高度,单位mm,δ是螺旋槽的厚度)。
(4)螺旋槽的螺旋升角λ。螺旋升角的大小会是物料在料槽中上料的决定性因素,在某些程度上也会对零件的上料的快慢造成影响,其范围一般大于1°小于3°。升距L、升角λ及料斗直径Dφ它们之间存在如下的几何关系,也就是tanλ=L/πD。公式中任意两个参数确定了,就可以计算确定出另外一个数,一般来说,在图纸上只标注Dφ和L,而不标注λ。
(5)螺旋槽的宽度h。h的数值影响料斗的尺寸的大小,同时也会对料斗的重量造成影响,螺旋槽的宽度选取通常不要太宽,一般为h=b料 (2~5)mm,式中b料为零件在螺旋槽上被定向送出的宽度或直径。
(6)螺旋圈数n。螺旋圈数n的选取关键在于零件从料斗的底部进入螺旋槽之后,在槽上完成定向需要的距离,如果必须多次定向才能达成目的时,整个槽的应尽量设计的长一些,除此之外,还需要把零件放入料斗后所产生的堆积对料斗底部造成的影响考虑在内,螺旋圈数通常取为1.5~2圈。螺旋槽的表面应该尽量的光滑,没有凹凸不平的地方也没有飞边毛刺,避免零件在上料过程中受到阻碍。螺旋升槽的起始点应该与地面光滑连接,减少空隙,使得料盘底部较为平滑,使得零件可以在料斗工作过程中更方便的进入料槽。
(7)料斗高度H。料斗高度H的大小主要决定于所选取的螺旋槽升距L,螺旋槽的圈数n以及出料口的高度等。通常应该不大于四倍的料槽升距,即Hlt;4L。
对于常见的废旧塑料瓶来说,L料=240mm;塑料瓶经过压扁后,物料高度即为瓶盖高度,h料=30-50mm。经测量后,料宽约为70mm。则料斗直径Dφ=(8~12)L料,取2394mm,螺旋升距L=1.5h料 δ=77mm,取80mm。此时螺旋升角λ=arctan(L/πD)=1.14°,在1°~3°范围内。螺旋槽的宽度h=70 (2~5)mm=72~75mm,取h=75mm。取螺旋圈数n=2圈。料斗高度Hlt;(3~4)L=(3~4)*40=500-800mm,取H=600mm。D外=2400mm。料斗的材料为铸铁,所以内壁厚度取3mm。
3.1.2 结构的设计
以上是毕业论文大纲或资料介绍,该课题完整毕业论文、开题报告、任务书、程序设计、图纸设计等资料请添加微信获取,微信号:bysjorg。
相关图片展示:







课题毕业论文、开题报告、任务书、外文翻译、程序设计、图纸设计等资料可联系客服协助查找。
