改性癸酸-膨胀蛭石复合相变材料制备及结构分析毕业论文
摘 要
本论文以癸酸为相变材料,以膨胀蛭石为载体,采用酸化处理和硅烷化处理后与癸酸采用直接熔融的方法,制备出改性癸酸/膨胀蛭石复合相变储热材料,通过DSC、SEM、XRD、FT-IR、1000次热循环稳定性分析对制备的复合相变储能材料进行结构和性能研究。
结果表明:通过对膨胀蛭石的改性处理,酸化蛭石比改性前的普通蛭石具有更大的比表面积,通过改变蛭石的比表面积来增加膨胀蛭石对癸酸的吸附量,硅烷化蛭石通过破坏蛭石中的SiO2四面体结构来提高硅烷化蛭石与相变材料癸酸的吸附率,通过硅烷化处理后,硅烷化蛭石对癸酸的吸附率达得到了极大的提高,在制备出改性复合相变材料后通过以上测试以及1000次的热循环分析我们可以得出改性后的复合相变材料较改性前具有更好的储热性能和热稳定性。
本次实验的改性癸酸-膨胀蛭石复合相变材料,其载体蛭石具有多孔的特点,工艺简单,而相变材料癸酸相变温度适宜,相变焓较大,经过改性后,其热稳定性与储热性能也较好,所以改性癸酸-膨胀蛭石复合相变材料具有广泛的应用前景。
关键词:癸酸;膨胀蛭石;复合相变储热材料;热循环
Abstract
In this paper, using decanic acid as phase change material and expanded vermiculite as the carrier, modified decanic acid / expanded vermiculite composite phase change heat storage material was prepared by direct melting with decanic acid after acidification and silanation treatment. The composite phase change energy storage material prepared by DSC, SEM, XRD, FT-IR and 1000 thermal cycles was analyzed. The structure and properties of the material are studied.
The results show that by modifying the expanded vermiculite, the acidified vermiculite has a larger specific surface area than the normal vermiculite before the modified vermiculite, and increases the adsorption capacity of the decanic acid by changing the specific surface area of the vermiculite. Silanite vermiculite improves the silanite vermiculite and the phase change material by destroying the SiO2 tetrahedron structure in the vermiculite. The adsorption rate of decanic acid has been greatly improved by silanylation treatment. The adsorption rate of decanic acid is greatly improved by silanate vermiculite. After the preparation of modified composite phase change material, through the above test and the 1000 thermal cycle analysis, we can obtain better heat storage and thermal stability of the modified composite phase change material before the modification. Qualitative.
The modified decalic acid expansive vermiculite composite phase change material has the characteristics of porous structure and simple process, while the phase change temperature of phase change material is suitable and the enthalpy of phase change is great. After modification, the thermal stability and heat storage performance are better. So the modified decyl acid expansion vermiculite composite phase change material has a wide range. Application prospect.
Keywords: decic acid; expanded vermiculite; composite phase change thermal storage material; thermal cycle.
目录
摘要 I
Abstract II
第一章 绪论 1
1.1研究背景 1
1.2储热技术 2
1.3相变储热材料分类及特点 3
1.4复合相变储热材料研究综述 4
1.4.1复合相变储热材料研究进展 4
1.4.2复合相变储热材料的应用 5
1.5论文选题意义与研究内容 6
1.5.1选题意义 6
1.5.2研究内容 6
第二章 实验 7
2.1原料 7
2.2实验仪器 7
2.3测试与表征 8
2.2.1扫描电镜(SEM) 8
2.2.2 红外光谱(FT~IR) 8
2.2.3 示差扫描量热法(DSC) 9
2.2.4 XRD光谱分析 9
2.4 实验过程及复合相变储热材料的制备 9
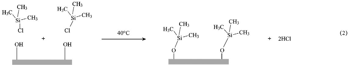
2.4.1 蛭石的酸化处理和硅烷化处理 9
2.4.2 复合相变材料的制备 11
2.5 热循环实验 11
第三章 结果与讨论 13
3.1 SEM分析 13
3.3 DSC分析 15
3.4 XRD分析 19
第四章 结论与展望 20
4.1 结论 20
4.2 展望 20
致谢 21
参考文献 22
第一章 绪论
1.1研究背景
当今世界面临着两大重要课题分别是能源问题和环境问题[1]。在中国,建筑能源消费翻了一番从1998到2009,占总能量的比例建筑消费由20%增加到40%。可吸收的相变材料(PCM),根据周围环境储存和释放热量环境条件提供了另一种选择降低峰值冷却负荷改善室内热舒适性。PCM可广泛应用于实际工程中,如太阳能系统,蓄热建筑与工业废热回收利用等[2]。传统的化石能源如化石燃料早已日益枯竭,其利用效率也远不及许多新能源,化石燃料的使用往往还伴随着许多环境问题,这些化石燃料对空气的污染相当严重【3】。为了发展人类社会的可持续发展,我们需要开发新的能源来弥补化石能源的不足。这样一来人们开始讲目光对向新能源和许多效率极高的可再生能源,太阳能、风能、氢能这些都是环保并具有极高利用效率的可再生能源,这些可再生能源能有效的弥补化石燃料所带来的缺陷,所以这些新可再生能源的开发和利用必然会为人类创造更大的效益,这也使这些新的可再生能源发展为代替传统化石燃料的必然趋势【4】。随着当前社会的快速发展,人们对能源的使用越来越多,能源的枯竭已成为全国关注的重点问题,为了迅速的找到更为方便清洁的能源,除了之前提到的可再生能源,热能的高效使用也逐渐步入人们的眼球,热能作为最重要的能源形式之一,具有众多来源,如阳光、海洋以及地热等,因而被当作很重要的替代能源之一[5]。
能源对一个国家经济的进步和发展至关重要。各国的经济增长和技术进步取决于能源和可用能源的数量,该指标反映了该国的生活质量。经济、人口和人均能源消费的急剧增加,扩大了过去几十年的能源需求。目前来讲,化石燃料继续供应世界范围内的大部分能源,石油仍然是主要能源来源。然而,因化石燃料燃烧而排放的二氧化碳等气体,俗称“温室气体”,是全球变暖的主要因素。近年来,全球变暖的趋势愈加明显,积极寻找可再生能源(如太阳能和风能)来代替化石燃料能源已被公众广泛关注,利用技术来开发太阳能和风能等清洁能源不仅能满足人们的能源需求还能减少因化石燃料产生的温室气体,这种技术正是满足当代社会可持续发展理念的迫切需求。
随着社会的迅速发展,人们对能源的需求越来越多,这就严重引起了能源不足的问题,而伴随着发展带来的不仅是能源枯竭的问题,还伴随着环境污染也越来越严重,人们开始越来越关注高效的能源使用并开始致力于新能源的开发,寻找合适的可再生能源已成为世界关注的焦点,如此一来,储能技术和储能材料的研究便开始步入科技的舞台,高效的利用储能材料和合理的使用储能技术能迅速解决能源时间和空间不足的问题,这样一来也能为能源问题找到了一个很好的途径,高效的潜热技术还可以提高能源的利用效率,高效的潜热技术也有着很大的发展空间,不仅可以在电力的“削峰填谷”和航天航空上高效的使用,而且在太阳热能热发电、纺织业、工业余热回收利用以及民用建筑采暖都有着很大的作用。相变储能材料的优点有很多,最为关键的便是其相变温度低、相变潜热大、具有较高的储热密度并在吸放热的过程中没有太大的温差变化近似恒温【6】。热能储存技术的核心和关键是高新能储热材料的筛选和制备,选取合适的储能材料或制备出符合人类需求的高性能储热材料不仅能够提高能源的利用效率,减缓因社会发展而面临的能源不足问题,对环境的污染也能得到有效的改善,达到可持续的发展的目的,达到节能减排的目的。相变材料作为新型的高效能源,其低能耗和自动调节温度的特点为相变材料带来了巨大的优势与市场,相变材料的使用不仅能达到人们所期望的能源高效利用并对环境问题也有着极大的改善,这是如何高效的用相变材料成为材料科学领域的重要研究方向。
1.2储热技术
热能储存(TES)是一种通过加热或冷却存储介质来储存热能的技术,以便存储的能量可以在以后用于加热和冷却应用和发电。热能储存(TES)被公认为其中之一未来储能的关键技术[7}。
储热技术作为一种新的能源技术主要包括两个重要要素,一方面是储热技术的热能转化方面,它包括了热能在不同形式中的转化和在不同载体之间的转化;另一方面,是储热技术的储存方面,也就是热能在储热材料载体上的存在状态,换言之就是热能在储热载体上的力学特征的表现形式【8】。面临能源的缺失和能源的不合理利用以及环境的诸多问题,储热技术可以有效地平衡环境与能源的问题,并对能源利用系统中的供能和耗能起到有效的协调作用,这样一来可以避免许多不合理的能源浪费也对环境起到了一定的调节作用,储热技术被运用于诸多领域,它能有效的减少环境污染问题并在回收利用工业余热等方面也起到了至关重要的作用,复合当今社会所提倡的节能减排和可持续发展的理念。
储热技术不仅仅是对热能的储存技术,它还包括褚冷技术,但目前人们对储热技术的研究比较广泛,所以本文章主要介绍储热技术,储热技术中最为关键的是显示储热和相变储热,显示储热的原理是利用相变材料本身的比热容来储存或释放热能,而相变储热则是当相变材料PCM(phase change materials)在进行相变反应时所吸收或释放的能量来储存热能。目前广泛的学者所关注的相变储热材料都有些共同的优点:具有较小的相变温度,在进行相变是温度变化很小,充放热的过程中基本没有温差变化和具有较高的储热密度等都使相变储热材料成为世界关注的焦点。目前相变类储热材料主要有有机类、熔融盐类、合金类及复合类等【9】。
热能的储存方式多种多样,随着研究人员的深入研究,他们讲储热技术分为三类。其中应用最多的是随着物质的温度升高时储热能力也随着升高的显示储热,这种储热方式在放热的过程中温度变化不大近似恒温,由于放热时的温差不大,所以在显示储热放热是能够有效的控制运行。并且这种储热方式具有储热密度低和储热装置大的优点,并以储热结构简单、制备简单、成本低为特点的显示储热在我们的日常生活中得到了诸多有效的利用,例如我国北方的水暖就是显示储热技术的最好应用。但显示储热技术有存在这许多的不足之处,显示储热技术在放热的过程中温度的变化并不是很稳定,而且它必须占据较大的空间却拥有很小的储热密度显示着这项技术的不成熟,这些诸多因素导致它所储存的能量并不能完全释放,而且当温度降低时,放热的速度也会快速的衰减。而第二种则是还处于研究阶段的化学反应储热[10],这种储热方式是根据化学反应的可逆反应是所产生的放热来储存能量,虽然这种技术是一种具有很高能量和很高密度的储存方式,但化学反应的可逆反应并不是能够很好的控制,而且这项技术对反应所需要的设备仪器要求较高,难以实现工业化的应用,所以这项技术还没用被人们大量的应用,还只是处于研究阶段并没有得到广泛的应用。第三种则是当物质在发生相变过程中所产生的能量变化来储存能量,这种储热方式我们称之为潜热储热,也就是本次实验我们所做的相变潜热,由相变材料在发生相变反应时温度变化不大基本相当于恒温,并且此技术拥有非常大的相变潜热,所以得到了广泛的应用,由于我们所选取的相变材料具有体积小、利于控制的优点,它从前两种储热方式中脱颖而出,通常我们所选取的相变材料都具有合适的相变温度,这使得它符合人们所能感受到的舒适的环境,结合以上的种种优点使相变潜热在国内外得到了重视和广泛学者的深入研究,并且这种储热方式能够实现工业化的规模,它的使用早已应用到生活的各个领域如太阳能的热能储存、建筑材料的节能、供电系统也能通过这种方法得到有效的优化[11]。但相变潜热技术也有着不足之处,这种方法对设备的要求也是极为严格,很难实现工业化,在相变过程中的体积变化使得它变得容易腐烂,这些种种不足都导致此技术很难再生活中广泛的应用,但仍然是目前储热技术的佼佼者。
1.3相变储热材料分类及特点
相变储能(LHS)由于其蓄热能力高、恒温蓄热、可重复利用、不退化等优点,对太阳能利用和工业废热的利用具有很大的吸引力[12]。相变材料(PCM)作为智能材料的代表之一,得到了广泛的应用。研究和应用于太阳能存储、空调建筑、温度调节服和智能纺织品等。在大量PCM中,固-液蓄热材料已引起广泛关注。在相变过程中,固液相变材料具有合适的相态。固液PCM也有缺点。一个缺点是液体泄漏。相变过程给实际应用带来了技术上的挑战和不便,解决这个问题有很多方法。例如,微胶囊封装已经作为解决这一问题的有效途径。然而,微胶囊封装技术相当复杂。另一种成功的方法是形成稳定的相变材料[13]。许多研究表明,聚合物基形状稳定的PCM能够有效地保护熔融有机固液PCM的泄漏。复合形状稳定的PCM由基体材料和相变材料组成。聚合物材料可用作基质承受结构和机械支撑,固液PCM分散于三维聚合物的结构以形成形状稳定的复合材料。聚合物基体可缠绕结合核心PCM防止PCM在熔化过程中宏观流动或泄漏过程是未来储能技术的关键。
根据相变材料的相变温度范围可将相变储热材料分为高温、中温、低温三种相变材料,此次本次的实验所采用的相变材料是癸酸,属于低温材料,低温材料具有让人感受到舒服的温度是本次实验的最佳选择,根据相变材料的相变机理,可大致分为固-固相变材料和固-液相变材料,本次试验所选用的是蛭石与癸酸属于固-液相变材料,按其化学组成 ,可以分为无机相变材料 、有机相变材料和有机-无机复合相变储能材料。癸酸属于有机相变材料,潜热储能又称相变储热(PCM), 相变储热按照相变的方式一般分为四类:固-固相变、固-液相变、固-气相变和液-气相变[14]。通常我们并不会选用后两者相变方式,因为气体在发生相变反应是具有相当大的相变焓,也使得这两种相变方式难以在生活中得到广泛的应用和工业化。本次实验所选取的蛭石和癸酸属于固-液相变。
作为本次实验所研究的固-液相变材料大致可分为无机类、有机化合物类以及高分子类这三种。液体-固体PCM,以较低的体积储存/释放能量更改是TES系统中最受欢迎的候选存储介质。无机盐高温PCM是固液中的一种。由于其具有较高的相变温度和熔化热,无机盐高温PCM吸引了越来越多的关注并在近年来在太阳能新能源的工业余热利用方面有着显著地效果。
本次实验采用癸酸作为相变材料,选用有机酸作为相变材料的原因:有机相变材料具有许多优点:它不仅在固体状态时易于成型,不容易出现明显的过冷和相分离的现象,而且这类相变材料成本低,此次选用的蛭石和癸酸都符合成本低的这一标准,它还具备了稳定的性能和较小的毒性及不易腐蚀载体等优点。在存在诸多优点的同时,它也存在着不足,拥有较小的导热系数导致在相变反应时对热量变化的速度影响较慢,并且由于此材料拥有较低的密度导致它的储存能力比较小,本次实验所选用的癸酸熔点为31℃,易挥发,也容易在空气中被氧化。
1.4复合相变储热材料研究综述
1.4.1复合相变储热材料研究进展
当今社会,人们对相变潜热的研究越来越关注和深入,尤其在对工业余热回收方面开始了更加仔细的研究和推广。由于工业余热是一个巨大的能量,能够高效的利用工业余热对研究人员无疑是非常有价值的研究方向。所以,许多研究人员开始深入对相变潜热材料的物理性能和测量开始深入的研究。因为,相变潜热材料的封装对高效利用相变潜热材料的余热有着巨大的作用,相变材料的封装和胶囊化的探索也渐渐步入研究人员的研究方向,并得到了许多有意义的结果。
随着相变材料的储热的研究迅速进展和不断发展,研究人员在相变储热的方向已取得了许多巨大的成就。虽然在很多关于相变储热的方面还不完善,有很多问题化急需要我们去解决,但对相变材料的开发和相变材料的基本要求无疑将成为今后研究的主要方向。就如何提高相变材料潜热的研究也开始被更加深入的研究,得到的初步结果为:要想提高相变材料的潜热,首先需对相变材料的导热性和其相变速率有所提高,由于单一的相变材料所具备的性能和工业化方面都难以与复合相变材料相媲美,开发复合相变材料无疑是更好的选择来实现相变材料在工业化的更好应用。
以上是毕业论文大纲或资料介绍,该课题完整毕业论文、开题报告、任务书、程序设计、图纸设计等资料请添加微信获取,微信号:bysjorg。
相关图片展示:







课题毕业论文、开题报告、任务书、外文翻译、程序设计、图纸设计等资料可联系客服协助查找。
