太阳能电池老化故障模型与辨识方法研究毕业论文
摘 要
ABSTRACT II
第一章绪论 1
1.1研究的目的及意义 1
1.2国内外发展现状 1
1.3本课题的主要研究 3
第二章 太阳能电池原理与老化机理 4
2.1 太阳能电池原理与特性 4
2.1.1 太阳能电池的原理 4
2.1.2太阳能电池的电路模型 5
2.1.3太阳能电池的工程应用模型 6
2.1.4太阳能电池的外部输出特性 7
2.2 太阳能电池老化机理分析 10
2.3本章小结 11
第三章太阳能电池老化对参数的影响与变化关系 12
3.1老化对参数影响的分析 12
3.2不同老化程度下太阳能电池参数测量 12
3.3电池老化对参数的实际影响 14
3.4本章小结 16
第四章老化故障数学模型构建 17
4.1 电池老化与特征参数间的量化关系 17
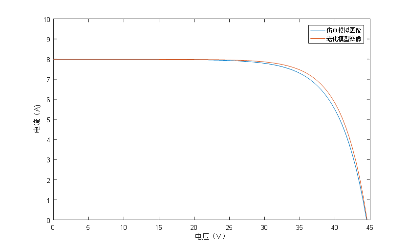
4.2老化故障模型的建立 18
4.3验证模型的准确性 19
4.4本章小结 20
第五章基于老化故障模型的故障诊断方法 21
5.1 故障诊断的发展现状 21
5.2 基于数学模型的故障诊断方法 21
5.3 诊断策略的实现 22
5.4仿真验证 23
5.4本章小结 24
第六章总结与展望 25
6.1总结 25
6.2展望 25
致谢 27
参考文献 28
摘 要
由于太阳能电池长期工作在外界恶劣的环境,不可避免的存在各种故障。太阳能电池的热斑等故障已经被广泛研究,老化故障的研究大都还停留在材料方面。所以本文将从仿真模型着手研究太阳能电池的老化故障。
本文将从太阳能电池原理、仿真模型出发,分析太阳能电池的老化机理,并进一步分析老化对4个基本参数的影响。最后进行模拟实验,根据实验结果阐明了老化故障对太阳能电池参数的影响。在实验的基础上,借助MATLAB推导出老化与电池参数之间的变化规律,并在MATLAB环境下搭建太阳能电池老化故障模型,最后运用老化故障模型进行老化故障诊断。本文的研究不仅为保证光伏电站的可靠运行,避免老化故障而引起的各种事故有着深远的意义,而且还为以后太阳能电池老化故障的诊断奠定了基础。
关键词:太阳能电池 老化故障 仿真模型 故障诊断
ABSTRACT
Due to the long-term operation of solar cells in harsh environments, various kinds of failures are inevitable. Solar cell hot spots and other failures have been extensively studied, and most of the research on aging failures still remain in the materials. Therefore, this paper will start with the simulation model to study the aging of solar cells.
This article will start from the principle of solar cells, simulation model, and then analyze the aging mechanism of solar cells, and further analyze the impact of aging on the four basic parameters. Finally, a simulation experiment was conducted, and the effect of aging failure on the solar cell parameters was clarified based on the experimental results. Based on the experiment, using MATLAB to derive the change rule between aging and battery parameters, and build a solar battery aging fault model in the MATLAB environment, and finally use the aging fault model for aging fault diagnosis. The research in this paper not only ensures the reliable operation of the photovoltaic power station, but also avoids all kinds of accidents caused by aging failure. It also lays the foundation for the future diagnosis of solar cell aging faults.
KEY WORDS:Solar battery ,Aging fault,Simulation model,Fault Diagnosis
第一章 绪论
1.1研究的目的及意义
随着人类社会的快速发展,煤炭、石油、天然气等化石能源被大量消耗,化石能源的储量十分有限,以石油为例,截止2016年,全球探明石油储量为1.707万亿桶,人均占有量仅为227.6桶。这些化石能源终究会随着人类发展的大量使用而消耗殆尽。而随着大量化石能源的利用还带来了非常严重的环境问题,例如温室效应等。因此可再生清洁能源的研究和开发受到人们越来越多的重视。
太阳是一个稳定的热源,每秒辐射到地球的太阳能约为80MW,仅一年的辐射总量相当于目前可使用的化石能的万倍,而且太阳能不会引起污染。因而太阳能被作为一种广泛分布且用之不竭的清洁能源,被全世界认为是最具发展潜力的可再生资源,太阳能的开发和利用成了全世界关注的对象。各国从可持续发展的角度出发,大力扶持太阳能产业。以美国为例,为太阳能产业提供了大量的税收减免。在政府的扶持下,太阳能的开发利用得到了快速的发展。
目前,太阳能主要的利用途径有:光热利用——利用装置将太阳的辐射能收集起来,通过物质间的热量交换将太阳能转换成热能加以利用;光伏利用——利用半导体的光电效应将太阳能转换为电能;光化利用——主要是利用太阳能分解海水来制取氢气,将太阳能转化为化学能;光生物利用——通过植物体中的叶绿素将太阳能转换成为生物质能。其中光伏利用是太阳能利用的主要形式。
光伏电站作为光伏发电的主要工程应用形式,由大量的光伏组件组成,每块光伏组件又由大量的太阳能电池组成。仅2000年至2016年间,全球累计装机容量自1250MW增至304300MW。由于太阳能电池长期工作在恶劣环境中,随着时间的推移会发生老化,热斑等故障。这些故障会降低太阳能电池的发电功率,影响光伏电站的安全可靠运行,严重的还会引发各种事故。热斑故障的诊断发展的非常成熟,然而关于太阳能电池的老化故障研究还很少。
1.2国内外发展现状
目前国内外很多学者已经从环境因素对电池材料的老化影响开展研究,分析光照,温度和水分等因素对太阳能电池的理化性能的影响,并从分子层面解释了这些影响因素的作用原理。总结得出材料老化的主要表现是太阳能电池表面的透光率降低[3,4],从而导致断路电流和光电转化效率降低,太阳能电池的发电功率降低。
国内外有不少学者从材料方面研究了太阳能电池的老化,还有不少学者还从中总结了许多减缓了太阳能电池材料老化的方法[5],当前已知的方法主要分为两类。一是利用化学材料,使用更稳定的分子材料和改变传统添加剂混合比例,从而减少添加剂之间的化学作用,来减缓太阳能电池封装材料的老化速度。二是利用物理方法,由于强烈的紫外线照射会加速太阳能电池的老化,在太阳能电池表面使用那些能够吸收紫外线的有机玻璃能可减少紫外线的影响;传统光伏电池封装材料具有透气性,过量的氧气会加剧材料的降解,因此有学者提出利用硅酮来替代传统的封装材料。
此外,还有许多学者利用故障诊断的方法对太阳能电池的老化故障进行辨别。目前已知的故障诊断方法主要分为电信号诊断和红外图像诊断两大类。
红外图像诊断方法主要是利用太阳能电池在正常状态和发生老化故障时工作温度不同的原理,通过红外图像处理工具分析热成像仪拍摄到的太阳能电池的红外图像,从而确定其状态。Yihua Hu和Jiangfeng Zhang等人就提出了一种利用热成像技术来判别太阳能电池老化的方法[6]。
电信号诊断方法主要包括:数学模型法,时域发射法,基于神经网络的方法等。数学模型法是通过构建太阳能电池的数学模型,通过测量电信号对电池参数进行估计,在线监测太阳能电池的工作状态和参数的变化。时域发射法是通过向光伏组件的电路结构中注入一个电流信号,分析接收到的电信号波形和延时时间和衰减程度等信息来判断电池故障程度。R. A. Kumar和M. S. Suresh就是利用分析输入信号和输出信号,根据电信号的衰减程度来估计电池老化情况[7]。基于神经网络的方法是通过构建类似神经网络的结构,在太阳能电池发生故障时,把现象和原因之间的对应的规律保存在网络结构中,通过测量太阳能电池的电压或电流值在网络结构中进行对比,从而对故障类型进行辨别。王元章等人就提出了一种基于神经网络的太阳能电池故障的辨别方法[8],该方法能够对太阳能电池正常工作、短路和异常老化这3种状态进行辨别。此外,还有接地电容法、基于最大功率点追踪的故障检测方法、基于模糊算法的方法、基于监控系统的方法等等。
虽然这些研究有一定的工程价值,但这些研究大都没有从电池老化模型来研究和分析老化故障。虽然有少数学者已经对太阳能电池老化故障及其内部参数的变化进行了一定的研究,但这些研究还是没有建立太阳能电池老化故障模型,并利用老化模型来进行故障诊断。
所以,本文拟从模型方面着手研究太阳能电池的老化故障,分析老化故障发生时太阳能电池参数的变化规律,然后再利用MATLAB搭建太阳能电池老化故障模型,最后根据老化故障模型提出老化故障的诊断方法。
1.3本课题的主要研究
本文对太阳能电池老化故障的研究有两个目的,一是建立太阳能电池老化故障模型,二是基于老化故障模型提出一种进行老化故障诊断的方法。在此基础上完成了:
1、从半导体P-N结的结构上详细阐述太阳能电池是如何利用光伏效应将光能转化成电能的。对太阳能电池电路模型中的参数进行分析。最后运用生产商在铭牌上标注的4个基本参数,最大功率点电压,最大功率点电流,开路电压,短路电流,搭建太阳能电池工程应用仿真模型,并分析太阳能电池的外部输出特性。
2分析太阳能电池老化机理。最后本文拟从光照这个因素入手,用不同的光照度模拟不同的老化程度,在忽略温度的影响下分析这4个基本参数在太阳能电池发生老化故障时的变化。
3、推导出太阳能电池老化与4个基本参数之间规律。进行实物实验和模拟实验,分析在某一太阳能电池温度下,老化程度与4个基本参数之间的变化关系;最后运用MATLAB初步建立太阳能老化故障模型,利用4个基本参数与老化程度之间的数量关系,在MATLAB环境下建立太阳能电池老化故障模型,并进行验证。
4、对现有的故障诊断方法进行研究,分析了这些方法的优缺点。并阐述了利用数学模型来进行老化故障诊断的合理性。最后运用老化故障模型进行老化故障诊断。
第二章 太阳能电池原理与老化机理
2.1 太阳能电池原理与特性
2.1.1 太阳能电池的原理
太阳能电池是利用半导体材料的光伏效应直接将光能转化成电能,光伏效应指用适当波长的光照射到半导体上时,半导体吸收光能后产生电动势的现象[9]。
以硅系太阳能电池为例,在黑暗环境下,P-N结与两侧的半导体材料处于平衡状态。在P-N结接收到太阳光照时,原有的平衡被打破。P型半导体会产生电子,在内建电场的作用下,电子运动到N型半导体一侧,并累积;而N型半导体则产生了带正电荷的空穴,并在P型附近累积。在两侧累积的这些电子和空穴会形成与P-N结内建电场相反的电场,这给P-N结施加了一个与内场相反电压,使P-N结内部的势垒降低,使得P型半导体这边的空穴向N型一侧运动,N型半导体这边的电子向P型一侧运动。在P-N结没有外接电路的时候,P-N结会再次回到到平衡;在P-N结外接电路时,在P结累积的空穴和N结累积的电子可以不断地向两端扩散,通过外接电路不断复合,产生光生电流。P-N结内建电场相反的电压也就是光生电压。

图2-1 太阳能电池工作原理
2.1.2太阳能电池的电路模型
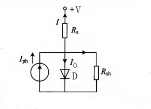
在实际应用中,太阳能电池的电路模型一般用单二极管模型表示,如图2-2。用一个二极管D、恒流源、一个与恒压源并联的电阻和一个与恒压源串联的组成的电路来表示[9]。

图2-2太阳能电池的等效电路图
根据等效电路图可以得出太阳能电池的输出电流和输出电压之间关系式:
(2-1)
其中:
为负载两端电压
I为通过负载电流
为光生电流
为二极管反向饱和电流
N为二极管品质因子
为电池串联电阻
为电池并联电阻
T为 电池的绝对温度
为波尔兹曼常数(1.380× J/K)
为电子电荷(1.608× C)
从(2-1)式中可以看出,在太阳能电池等效电路模型中,光生电流,反向饱和电流,二极管品质因子N,串联电阻,并联电阻这5个参数都是太阳能电池模型内在特性的反映。虽然这5个参数都与太阳能电池的输出电压和电流有关,但在实际工程应用中很难对这5个参数进行准确而直接的测量,一般认为其固定不变。所以本文将采用更简单的太阳能电池的工程仿真模型来进行研究,在正常状态下的此模型只需要运用几个基本参数就可以搭建。
2.1.3太阳能电池的工程应用模型
在实际工程应用中,生产商一般会在铭牌上标注太阳能电池的基本信息,利用这些基本信息,经过大量的运算,就可以拟合出与实际输出特性类似的U-I特性曲线方程[10]。根据太阳能电池U-I曲线方程,得到如下计算公式:
(2-2)
(2-3)
(2-4)
其中、为修正因子。
因为在实际情况下太阳能电池的性能受到辐照度S和电池板温度T的影响,所以必须考虑辐照度S和温度T对太阳能电池电流和电压的影响。利用微分算子对太阳能电池的电压和电流进行修正。
(2-5)
(2-6)
最后将电压、电流的修正量(2-5)与(2-6)带入(2-2)式。得到以下表达式:
(2-7)
式中:为实际辐照度;为标准参考辐射度,工程上一般用1000表示;为实际电池温度;为标准参考温度,工程上一般用25;a和b为补偿系数。
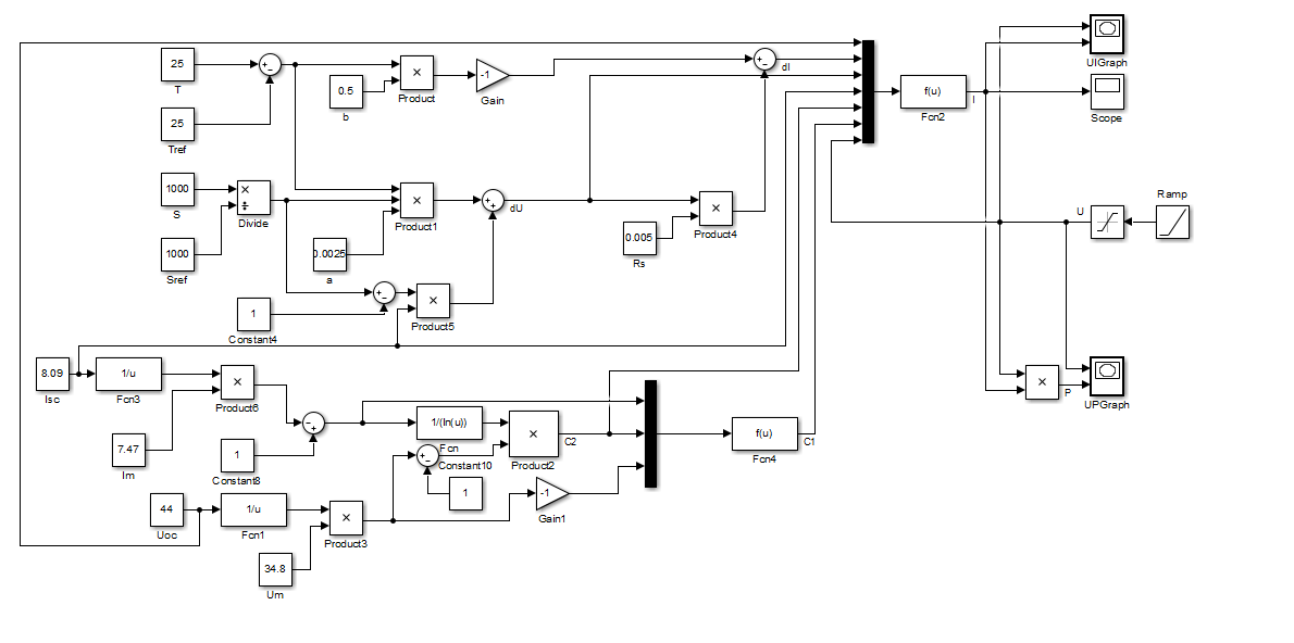
根据(2-2)-(2-7)的表达式,在MATLAB/Simulink软件中搭建太阳能电池数学仿真模型,如图2-3所示,太阳能电池铭牌上的信息如下:最大功率点电压=34.8V,最大功率点电流=7.47 A,开路电压=44 V,短路电流=8.09 A,电池串联电阻=0.005 Ω。仿真时补偿系数设置为典型值,其中模块输入的变量为温度T和辐照度S,输出模块为太阳能电池的I-U图像和P-U图像。通过改变辐照度和温度就可以分析太阳能电池的外部输出特性。

图2-3太阳能电池数学仿真模型
2.1.4太阳能电池的外部输出特性
为了后文分析太阳能电池老化对4个基本参数(最大功率点电压,最大功率点电流,开路电压)的影响,短路电流的影响需要对太阳能电池的输出特性进行探究。太阳能电池的外部输出特性是利用电压和电流来表示的,利用仿真模型得出I-U图像以及P-U图像进行直观分析[9]。当U=0时,太阳能电池的输出电流为短路电流。当I=0时,太阳能电池的输出电压为开路电压。当太阳能电池连接上可变负载时,负载使太阳能电池的功率输出最大时,对应最大功率为。
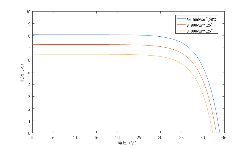
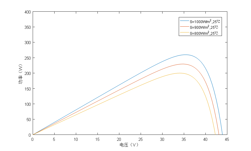
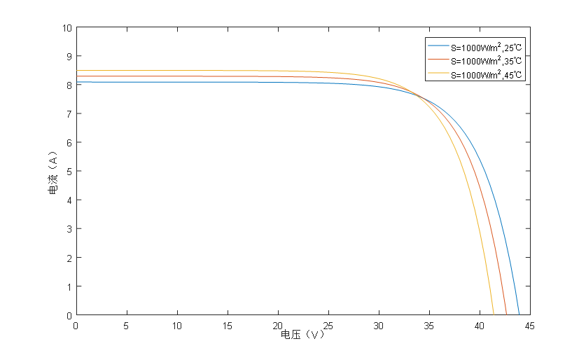
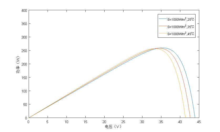
设置不同的温度T及辐照度S,运行图2-3中的模型,结果图(2-4)至(2-7)所示。图(2-4)与(2-5)为相同温度条件下(T=25℃),辐照度分别为1000,900,800时太阳能电池对应的I-U,P-U曲线。图(2-6)于(2-7)为相同辐照度下(S=1000),温度分别为25℃、35℃、45℃时太阳能电池的I-U、P-U曲线。

图(2-4),在T=25℃时,不同辐照度下的I-U图像

图(2-5),在T=25℃时,不同辐照度下的P-U图像
由图(2-4)的I-U图像可以看出,在某一温度保持不变时,随着辐照度的逐渐增大,太阳能电池的开路电压缓慢上升,短路电流缓慢增大,最大功率点电流也缓慢增大。由图(2-5)的 P-U图像可以看出,在某一温度保持不变时,当辐照度逐渐增大时,最大功率点电压逐渐增大。

图(2-6),在S=1000时,不同温度下的I-U图像

图(2-7),在S=1000时,不同温度下的P-U图像
由图(2-6)的I-U图像可以看出,以某一辐照度保持不变时,随着温度的逐渐增大,太阳能电池的开路电压逐渐减小,而短路电流却略有上升;最大功率点也在减小,由图(2-7)的P-U图像可以看出,以某一辐照度保持不变时,温度越高,最大功率点电压反而变小。
2.2 太阳能电池老化机理分析
因为太阳能电池长时间暴露在外接恶劣的环境下,随着时间的推移,在环境和自身缺陷的影响下导致太阳能电池的老化[3,4]。本文将环境因素大致分为光照、温度,水分这三种来进行分析,分析这些因素对太阳能电池表面材料的影响。
以上是毕业论文大纲或资料介绍,该课题完整毕业论文、开题报告、任务书、程序设计、图纸设计等资料请添加微信获取,微信号:bysjorg。
相关图片展示:







课题毕业论文、开题报告、任务书、外文翻译、程序设计、图纸设计等资料可联系客服协助查找。
