基于传感器融合技术的多参数水体监测系统设计毕业论文
摘 要
Abstract II
第1章 绪论 1
1.1 课题研究背景及意义 1
1.2 国内外研究现状 1
1.3 课题研究基本内容和目标 2
第2章 水质在线监测系统的总体设计 4
2.1 系统的总体需求分析 4
2.2 系统方案设计 4
2.3 系统的总体架构 5
2.4 系统的工作流程 5
2.5 本章小结 6
第3章 下位机系统硬件设计 7
3.1 传感器的选型 7
3.1.1 pH值传感器 7
3.1.2 温度传感器 10
3.1.3 含氧量传感器 11
3.1.4 电导率传感器 12
3.2 信号调理电路 13
3.3 数据采集卡 14
3.3.1 数据采集卡简介 14
3.3.2 数据采集卡的选型 14
3.3.3 数据采集卡的安装 15
3.3.4 数据采集卡的配置和测试 15
3.4 系统通讯方案设计 16
3.5 章节小结 16
第4章 上位机监测管理软件设计 17
4.1 开发工具的选择 17
4.2 虚拟仪器与LabVIEW简介 17
4.2.1 虚拟仪器 17
4.2.2 LabVIEW 17
4.3 系统总体设计与操作流程 18
4.3.1 上位机软件的功能设计 18
4.3.2 软件的操作流程 18
4.4 监控系统的监测界面设计 19
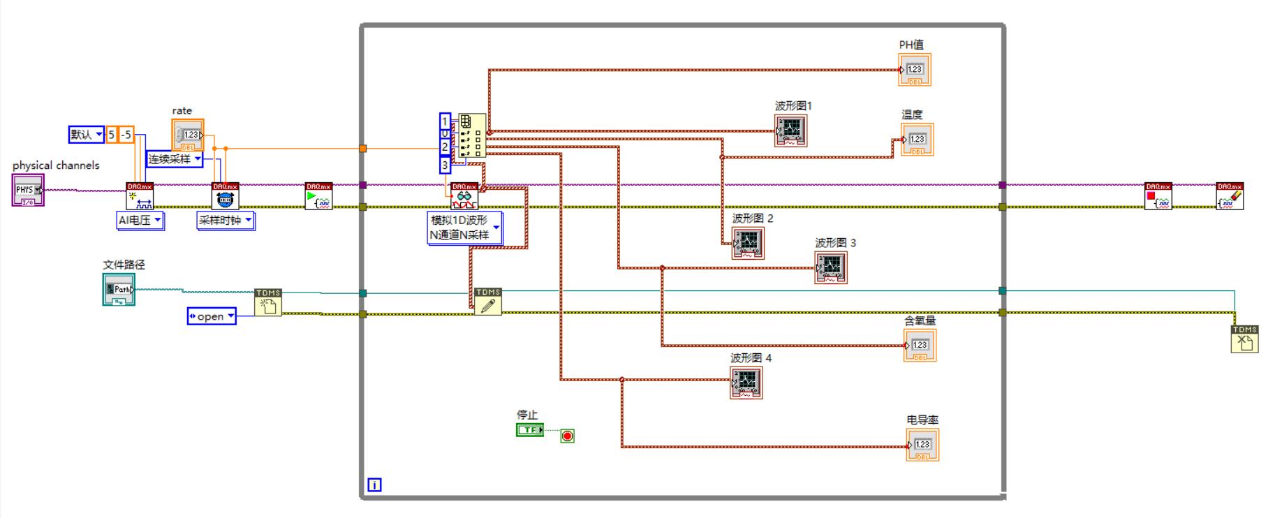
4.4.1 主显示页面 19
4.4.2 数据记录查询界面 21
4.5 本章小结 22
第5章 水体质量判别 23
5.1 水体质量标准概述 23
5.2 生活用水水源标准 23
5.2.1 水质评价参数的选择 23
5.2.2 pH值 23
5.2.2 温度 24
5.2.3 电导率 24
5.2.4 溶解氧 24
5.3 水体质量的判断与处理 25
5.4 本章小结 25
第6章 总结与展望 27
6.1 总结 27
6.2 展望 27
致谢 28
参考文献 29
摘要
对水体环境参数进行实时监测,不仅有利于我们实时掌控水体的质量,还有利于水体质量监测人员及时发现水体质量的恶化,并能够及时的对水体进行治理和保护。为了更好的实现上述功能,本文从理论和实际两方面出发,基于传感器融合技术和虚拟仪器技术设计了一种通用性较强、性价比较高并且易于操作的水体多参数在线监测系统的设计方案。
本文整体框架分为总分的结构,通过对当前监测系统的研究和调查之后。讨论并基本确立了本系统的整体设计方案。采用上位机和下位机相互结合的结构体系。详细的介绍了整个系统的结构。其中下位机硬件部分主要是4个水质参数采集模块,采集系统使用数据采集卡进行实现,可以直接满足数据采集,处理和传输。软件部分主要是基于LabVIEW的编程环境和编程语言开发的上位机监控平台,其主要功能为实现监测参数的实时显示、和存储。下位机各硬件之间采用RS485总线进行连接通信。上下位机采用RS485转USB的通讯方式。
本文最后给出了所监测水体的质量评价标准,方便监测人员基对检测到数据进行对比分析,实现对水体质量进行判断和评价。最后再总结了本文的研究结果,对本系统不足之处和需要完善的地方提出了改进意见和展望。
关键词:传感器;虚拟仪器;LabVIEW;水体质量
Abstract
Real-time monitoring of water environment parameters not only helps us to control the quality of water in real time, but also helps water quality monitoring personnel to discover the deterioration of water quality in a timely manner and to timely treat and protect the water body. In order to achieve the above functions better, this paper starts from the theoretical and practical aspects. Based on sensor fusion technology and virtual instrument technology, a design scheme for multi-parameter on-line monitoring system for water bodies with strong versatility, high cost performance and easy operation is designed. .
The overall framework of this article is divided into the structure of the total score, after researching and investigating the current monitoring system. Discussed and basically established the overall design of the system. Using a combination of upper computer and lower computer structure system. Detailed description of the structure of the entire system. The hardware part of the lower computer is mainly four water quality parameter acquisition modules. The data acquisition card is used for the acquisition system to realize the data acquisition, processing and transmission. The software part is mainly based on LabVIEW programming environment and programming language development PC monitoring platform, its main function is to realize real-time display and storage of monitoring parameters. The RS485 bus is used for communication between the hardware of the lower computer. The upper and lower machines use RS485 to USB communication.
At the end of this paper, the quality evaluation standard of the monitored water body is given, which facilitates the monitoring personnel to make judgments and evaluations on the quality of the water body based on the comparative analysis of the detected data. Finally, the research results of this paper are summarized. Improvement suggestions and prospects are put forward for the insufficiency of the system and the places that need to be improved.
Key Words:Sensors; Data Virtual Instruments; LabVIEW; Water Quality
第1章 绪论
1.1 课题研究背景及意义
水是人类赖以生存的必要资源,人类对水的绝对依赖决定了水资源对人类的重要性,人类对水资源的需求主要包括两个大的方面,其一是生活用水,包括生活饮用水和日常用水,其二就是生产用水,包括人类生产中方方面面的使用,包括工业用水,农业用水,养殖业用水等等。但自人类进入现代文明社会以来,随着科学和经济的发展,资源浪费、环境污染等一系列生态问题日益突出。在全球范围内,由于在工业社会的进程中,人类对水资源的认识和利用上存在的误区,人类在水体中排放的污染物已经超过环境容量和自净能力。这导致许多地区的水系、湖泊、海域的污染逐渐加重,这导致人类的生活生产用水安全受到威胁,如果不加以防治,那么最后可能会危及人类的生产生活的健康。除了这个危害以外,水体污染也成为制约人类发展的一大问题。
要对水体环境进行治理和保护,对水体环境的质量监测是十分重要的一环。而对水体环境进行监测的目的是为了掌握水体污染产生的原因以及了解导致水质恶化的主要污染物是什么,从而进行有针对性的治理和保护,更好确保水体的质量达到应该达到的标准。目前水质监测主要由专业取样人员进行野外取样,然后送到实验室进行各种项目的分析化验,这种传统的常规监测费时费力,耗材耗力,且受自然条件和时空等因素限制。除此之外,由于水体中所包含的污染源种类繁多,有化学污染,生物污染等,当我们要对一个区域的水体进行监测时,无法使用单一的仪器将所有的污染源进行检测出来,进而会使水体监测更加的复杂化,同时也需要购置多种不同的检测仪器,增加水体监测的成本。
所以,为了解决传统的水质监测的弊端,我们需要设计一款针对水体环境的在线监测系统,这系统可以根据需要监测出对应水体的不同的水质参数,并且能通过有线通讯的方式,将各类水质参数实时传输到相关的监测工作站,以利于相关部门及时的对水体的质量进行判别和保护。为了实现上述功能,我们需要在深入了解水体在线监测系统需求和水体在线监测系统工作原理的基础上,利用传感器融合技术,提出水体在线监测系统的总体构建方案,并完成功能设计。
1.2 国内外研究现状
对于水体在线监测系统的设计和应用,国外起步较早,20世纪70年代开始,发达国家相继建立了连续自动监控系统,其水体自动监测系统主要是以自动分析仪为核心,运用自动测量技术对水质进行分析并得出相关参数,运用通讯网络,如ZigBee、GPRS等将相关参数传输到计算机中并通过专用软件进行显示。方便水体环境保护部门实时直观方便的掌握水体质量的相关的情况。除此之外,20世纪80年代以来,发达国家也相继建立了宏观生态监测系统,并借助地理信息技术(GIS)、遥感技术(RS)和全球卫星定位系统技术(GPS),连续观察空气、水体污染状况及生态环境变化,预测预报未来环境质量,从而有力扩大了环境监测范围以及监测数据的获取、处理、传输、应用的能力,为环境监测动态监控区域环境质量乃至全球生态环境质量提供了强有力的技术保障,极大促进了环境监测的现代化发展,体现了监测的实时性、连续性和完整性[1,2]。对于水体环境的监测我国目前还是以手工采样、实验室分析技术为主体;并以移动式现场快速应急监测技术为辅助手段的自动监测、常规监测与应急监测相结合的监测技术路线。而对于水体环境在线监测系统的设计和应用相对于发达国家还比较落后,主要存在如下两个问题:一是在水环境在线监测仪器、移动快速分析技术方面发展方面目前还处于探索阶段。水环境自动监测仪器多为国外进口,主要是日本、德国、意大利、美国等国的产品,价高昂贵,成本较高。相较与国外的产品,国内生产的水环境监测仪器大多有测量参数单一、质量不稳定、可靠性较差的缺点[3]。
1.3 课题研究基本内容和目标
地球上有多种多样的水体,不同的水体之间也有着不同的评价标准,除此之外,根据人类对水的不同需求,以及使用目的的不同,我们对不同使用目的的水质也有着不同的标准。在此背景下,主要设计一款针对生活饮用水进行监测的水质在线监测系统。该系统主要用于监测用于生活用水的水域,例如每个城市用于生活用水的水源,包括河流、湖泊和水库等。通过本系统的在线实时监测这些水域的各项水体参数,来确保生活用水来源的安全,从而确保人们生活用水的安全。根据系统的用处和和目的,本文主要研究以下内容和实现以下目标:
(1)根据生活用水水源的质量标准,确定影响生活用水的水体具体参数以及对应的标准,从而确定该水质监测系统所要监测的参数。
(2)根据生活用水水源的水质监测参数的选择来确定传感器的选型,从而使得可以进行对应水域的对应水体质量参数的采集,使得监测人员可以及时的了解到该片水域的水体参数的具体情况。
(3)对监测系统下位机进行硬件设计,从而使得通过传感器采集到的电压信号,可以通过调理电路,数据采集卡,最后通过选择合适的通讯方式进行下位机和上位机之间的通信,确保可以及时的将采集到的数据传输给上位机,方便监测人员的监测。
(4)为将水质监测系统获取的抽象数据转化为简明有效的信息并可视化,需利用LabVIEW进行系统界面的设计开发,能够将下位机系统采集到的数据变为可视化的数据显示在PC机的屏幕上
(5)确定生活用水的水体质量标准,从而可以方便监测人员将监测到的数据与已知标准进行对比,来确定所监测的水域的水体是否发生了恶化,如果发生恶化,要及时的进行处理。
本课题所涉及的关键点包含以下几个方面:
(1)水质监测系统可视化界面的开发,利用LabVIEW对监测系统应用软件进行设计与开发。
(2)对生活用水水质标准的建立。
第2章 水质在线监测系统的总体设计
生活用水在线监测系统主要包括以下内容:可以将反映水体质量的不同参数的物理量转换为模拟电信号的各类传感器,可以对模拟信号进行处理的调理电路。可以对调理电路处理过的模拟信号进行自动采集的数据采集卡。可以将数据采集卡采集到的模拟信号传输给上位机的通讯系统以及对由下位机传输过来的模拟信号进行处理与显示,存储的上位机系统。本章节主要包括了对水质在线监测系统的需求及其所能实现的目标,确定了总体的构架和监测方案,能够对所监测水域的各类水质参数进行实时的监测显示。
2.1 系统的总体需求分析
根据本系统主要监测的对象,本系统所要监测的水质参数主要有:水体的pH、水体的温度、水体的溶解氧以及水体的电导率。
本系统所需要实现的功能如下:
(1)监测功能:需要对水体所监测的对应参数进行实时监测并将采集到的电压电流等模拟信号转换为数字信号。
(2)传输功能:将采集到的相关数据传输至监测工作站,以方便进行下一步工作。
(3)显示存储功能:将监测到相关数据通过相关软件进行显示和存储,方便监测人员对数据的监测以及判断。
2.2 系统方案设计
生活用水在线监测系统,根据监测系统的工作原理,可以将对应水域的不同水质参数进行采集,并通过对下位机的设计,上位机和下位机之间的通讯的设计以及对上位机系统的设计,使得系统可以实时的对所监测水域的水质参数进行实时监测。该系统主要部分由传感器、信号调理电路、数据采集卡、通讯系统以及上位机监测系统组成。各部分的主要功能如下:
(1)水质参数传感器
传感器是水质监测系统的核心部件,想要获得水体的不同水质参数,就需要所对应的不同的水质参数传感器进行参数的采集,并且将代表这些参数的物理量转换为模拟量,从而可以将这些模拟量传送给对应的设备,方便进行处理。本文所涉及到的传感器主要包括:温度传感器、溶解氧传感器、电导率传感器、pH值传感器。
(2)信号调理电路
实际工作环境中不可避免的存在工频信号和环境噪声等的干扰,传感器采集的信号除了有用的信息还存在噪声,为了获得信号的准确值,监控系统在信号传输的过程中设计了调理电路,信号调理主要有对信号的放大、衰减、隔离、传感器激励、滤波、线性化和信号数字处理。传感器采集到的信号包括很多的干扰因素,若是直接把带有干扰因素的信号不经处理直接送到数据采集卡进行采集、处理、分析,最后所得出的结果是没有科学价值和意义的。信号调理的目的是选出信号中有用的信息,把干扰信号的噪声进行剔除,然后输出给系统进行后续的处理分析。
(3)数据采集卡
数据采集卡主要是将传感器采集到的并经过调理电路处理之后的模拟量进行高精度的转换成数字量,并通过各种通讯技术把相应的数据传输到上位机中进行分析和显示。
(4)通讯模块
通讯模块的主要功能是为了将传感器采集到的经过信号调理电路以及数据采集卡处理过的数据传输给上位机系统,从而建立起上位机和下位机的通讯,实现系统的在线监测功能。
(5)上位机监测系统
当监测系统下位机将水质信息采集并转换为数字量之后,为了监测人员可以及时的看到对应的水质参数,就必须把下位机监测到的数据转换为可视化数据,并且将监测到的数据进行存储,所以监测系统上位机就主要用来实现这些功能。
2.3 系统的总体架构
本文所设计的水质在线监测系统利用RS485通讯协议进行有线组网,实现监控系统的实时监测,应用LabVIEW平台开发水质在线监控系统,该系统通过RS485通讯协议进行参数的采集和传输,将采集到的各参数值通过串口上传到PC机界面显示水体质量的不同参数情况。系统总体可分为三个部分:
(1)采集模块:通过选定的传感器来采集水体的PH值、温度、溶解氧和电导率等参数。
(2)通信模块:将采集模块采集到的水质各参数通过RS485有限传输网络传送到PC机LabVIEW系统中进行显示和存储。
(3)监测模块:通过虚拟仪器技术把软硬件结合起来,将传感器感受到的数据通过数字或图形的方式显示出来。监测系统中使用数据库,使监测人员可以查询以前的监测数据。
2.4 系统的工作流程
基于传感器融合技术的水质在线监测系统的工作流程为:首先由监测节点的传感器进行采集物理量,并将该物理量转换为对应的模拟量,之后通过信号调理电路对模拟量进行处理,确保所采集到的模拟量的有效性。将处理之后的模拟量传输到数据采集卡中,由数据采集卡将对应的模拟量高精度的转换为数字量。紧接着通过有限网络将转换过后的数字量传输至上位机。上位机接收之后将对应的数据显示、存储,方便监测人员的监测和调用。系统工作流程如图2.1所示:

以上是毕业论文大纲或资料介绍,该课题完整毕业论文、开题报告、任务书、程序设计、图纸设计等资料请添加微信获取,微信号:bysjorg。
相关图片展示:







课题毕业论文、开题报告、任务书、外文翻译、程序设计、图纸设计等资料可联系客服协助查找。
