基于三电平变换器的电力电子负载设计毕业论文
摘 要
随着现代社会用电需求的增加,各种电源的应用也日益广泛,而在电源投入使用之前必须进行电源带载试验,采用电力电子负载进行带载试验,具有节约能源、体积小、特性模拟灵活的特点,因而成为当下研究的热点,论文设计了一种可以用于各种电源带载试验的基于三电平变换器的电力电子负载。
论文首先介绍了电力电子负载(PEL)的结构特点与研究现状;PWM整流器是PEL的重要组成部分,论文介绍了三电平的电压型PWM整流器(VSR)的结构、原理、数学模型;电流控制是PEL另一重要部分,论文介绍了VSR电流控制技术、电流控制器、指令电流生成环节;SVPWM控制是控制三电平变换器的关键,论文详细地介绍了其概念、原理与算法;并根据设计要求设计了一个10kw的PEL,主电路采用三电平VSR,控制电路采用谐振控制器,控制算法采用SVPWM控制,整个系统实现了PEL实时、准确、快速跟踪指令电流。
最后,使用simulink仿真工具箱对整个PEL系统进行仿真,仿真结果验证了三电平VSR、SVPWM控制算法、电流控制环节、指令电流生成环节设计的正确性。
关键词:电力电子负载;三电平变换器;simulink仿真
Abstract
With the increasing demand for electricity in modern society, the application of various power supplies is becoming more and more widespread. Before the power supply is put into use, it must be tested with a load test of the power supply. The load-carrying test is performed using a power electronic load, which has the advantages of energy saving and small size. The characteristics of the characteristics of the simulation flexibility, and thus become the focus of the current study, this article designed a power supply can be used for a variety of experiments based on three-level converter based power electronic load.
The paper first introduces the structural features and research status of Power Electronics Load (PEL). PWM rectifier is an important part of PEL. The paper introduces the structure, principle and mathematical model of three-level voltage source PWM rectifier (VSR). It is another important part of PEL. The paper introduces VSR current control technology, current controller and command current generation links. SVPWM control is the key to control three-level converter. The thesis introduces its concept, principle and algorithm in detail; according to design requirements. A 10kw PEL is designed. The main circuit uses a three-level VSR. The control circuit uses a resonant controller. The control algorithm uses SVPWM control. The entire system implements PEL to track the command current in real time, accurately and quickly.
Finally, the entire PEL system is simulated using simulink simulation toolbox. The simulation results verify the correctness of the three-level VSR, SVPWM control algorithm, current control links, and command current generation links.
Keywords: power electronics load;three-level converter;simulink simulation
目 录
第1章 绪论 1
1.1电力电子负载的研究背景 1
1.2电力电子负载的结构与特点 1
1.3 电力电子负载的研究现状 2
1.4 本文的研究内容 3
第2章 基于三电平变换器的电力电子负载的主电路基础知识 5
2.1 电力电子负载的基本原理 5
2.2 PWM整流器的原理及分类 5
2.3 三相三电平电压型PWM整流器的拓扑结构 6
2.4 三相三电平VSR的工作原理及数学模型 7
2.4.1 三相三电平VSR的工作原理 7
2.4.2 三相三电平VSR在ABC坐标系下的数学模型 8
2.4.3 三相三电平VSR在dq坐标系下的数学模型 9
第3章 三相VSR电流控制技术 12
3.1 VSR电流控制技术 12
3.1.1 基于不定频滞环的SVPWM电流控制 12
3.1.2 跟踪指令电压矢量的SVPWM电流控制 15
3.2 三相异步电动机指令电流的生成................................. 17
3.2.1 三相异步电动机的基本物理模型 17
3.2.2 三相异步电动机多变量非线性数学模型 18
3.2.3 三相异步电动机以为状态变量的状态方程 20
第4章 VSR空间矢量PWM(SVPWM)控制 21
4.1 空间矢量PWM(SVPWM)控制的概念 21
4.2 空间矢量PWM控制的原理 21
4.3空间矢量PWM控制算法 23
4.3.1 判断作用区域 24
4.3.2 确定作用时间 26
4.3.3 分配矢量时间状态 26
第5章 基于三电平变换器的电力电子负载的整体方案设计 28
5.1 基于三电平变换器的PEL的整体结构 28
5.2 基于三电平变换器的PEL的主电路设计 28
5.3 基于三电平变换器的PEL的电流控制电路设计 29
5.4 基于三电平变换器的PEL的指令电流生成环节设计 29
5.5基于三电平变换器的PEL系统的设计 30
第6章 基于三电平变换器的电力电子负载系统的仿真 31
6.1 基于三电平变换器的PEL主电路的仿真 31
6.2 基于三电平变换器的PEL的电流控制环节的仿真 32
6.3 异步电动机指令电流生成环节的仿真 33
6.4 基于三电平变换器的PEL整体的仿真 34
第7章 总结与展望 35
参考文献 37
致 谢 38
第1章 绪论
1.1电力电子负载的研究背景
随着用电需求的多样化,我们日常生活中使用的电源也越来越多样,如普通的直流稳压电源,USP,蓄电池等等,这些电源在日常生活中的应用也越来越广泛,在将这些制作完成的电源投入使用之前,对它们进行必要的放电检测试验是必不可少的;一般来说,进行放电检测试验直接给这些电源连上常见的负载,如电阻,电感,电动机等,再检测负载上的电流,就可以顺利地完成检测;但是这种直接放电过程有很多的问题,比如电路中的设备会发热,负载会占用相当大的地方等等缺点。
在这样的背景下,我们提出了采用电力电子负载进行电源试验,因为电力电子负载在放电试验中最后能够将电能回馈给电网,同时多电平的电力电子负载可实现大功率、中高压要求,所以电子负载能够很好的克服传统电阻负载在电源放电试验中的缺陷。
在低压的场合,两电平变换器的电子电子负载已经能够较好的满足电源老化试验的基本要求,然而,随着对能源需求的增长,各种中高压的电源不断出现,也需要对其进行老化试验;显然,传统的两电平变换器的电力电子负载已经不能够满足中高压的场合;基于此,本文提出适用于中压场合的基于三电平变换器的电力电子负载。
1.2电力电子负载的结构与特点

图1.1 基于变换器的电力电子负载结构图
如图1.1所示为基于变换器的电力电子负载的结构图,其中核心部分电力电子负载主要由模拟侧负载变换器和并网侧变换器组成,待测电源一般为UPS、直流稳压电源、蓄电池等等常见的电源,将电力电子负载接到待测电源上,实现对待测电源的带载试验,而并网侧变换器将电源能量反馈回电网,相比于直接带电
电阻负载或者电机负载的放电试验,采用上图所示的用电力电子负载完成放电试验能够节约电能,减少损耗;除此之外再放电试验中电力电子负载相比于传统电阻、电动机负载还有一系列的优点,例如,采用电力电子负载进行放电试验能够降低电路中的器件发热,其次,电力电子负载体积相对较小能够有效的节约整个放电试验系统所占用的空间。
1.3 电力电子负载的研究现状
在上个世纪,就出现了通过在被试电源和电网之间接入一个电压源来进行UPS的放电试验,接入的电压源的幅值和相位可以根据实际的需求进行调节,通过对这个电压源的调节控制可以改变被试电源的输出,从而达到测试该被试电源的目的,其原理图如图1.2所示;后来又研究人员又将电压源改成变压器,采用变压器的原理与电压源是比较相似的,具体来说就是通过变压器来改变电压的相位和幅值,从而改变被试电源的输出;早期的这两种测试被试电源的装置都能够实现能量反馈,但是也存在一定的问题,例如这两种装置能够测试的电源比较少,其次,电压源和变压器相对来说体积比较大,所以装置会比较占用空间。

图1.2 接入可调电压源的UPS放电试验装置
之后,各种电力电子装置不断出现,与此同时社会对电能的需求也推动各种直流电源的研发与应用,因此对用于各种被试电源测试的电力电子负载的研究逐渐增加,首先就有人提出了一种间接的电力电子负载输出电流控制模型,其原理图如图1.3所示。由图可知,与前面在待测电源与电网接入电压源或者变压器不同,这种模型接入的为直流/交流变换器,通过控制这个交直变换器的输出电流来使直流待测电源处于不同的输出状态,从而达到测试该直流待测电源的目的。这种模型能够克服上面模型体积大,负载特性单一的缺点,但是该模型比上述模型更为负载。

图1.3 一种间接电力电子负载输出电流控制模型
进入到21世纪,电力电子技术进一步发展,各种性能更为优异的电力电子装置如IGBT等不断出现,同时全球的芯片技术飞速发展,这些新的装置和技术再一次推动了电力电子负载的发展。如图1.4所示,又有研究者提出了图示的一种三相电力电子负载变换器,如图所示,与被试电源直接相连的是电力电子负载,通过控制第一个交流/直流变换器的输出电流来使被试电源输出不同的电流,而第二个交流/直流变换器的作用是将电能重新反馈回电网,相较于上面图1.3的模型,这种模型中应用了更多的开关电路,且能够对三相交流电源进行放电试验。

图1.4 一种三相电力电子负载变换器
现今,国内许多高校如浙江大学、天津大学、华中科技大学的学者对电力电子负载中的各项技术如电流控制技术、PWM控制策略、指令电流生成等等均有研究,另外就目前的研究现状来说,对直流的电力电子负载的研究相对较成熟,而对于交流方面的研究则比较少。
1.4 本文的研究内容
本文在学习基于二电平变换器的电力电子负载的基本结构和原理的基础上,根据电气设备高容量的要求,采用三电平变换器作为电力电子负载主电路拓扑结构[1],设计一个10KW的电力电子负载,完成其控制系统整体方案设计及其确定相应控制策略,利用matlab建立该电力电子负载的系统仿真模型,并进行仿真实验,验证控制策略的正确性。
本文拟采用电力电子变换器来模拟电动机负载;实现这一功能需解决的关键问题:
1)确定模拟负载变换器的主电路拓扑结构
2)确定模拟负载变换器的调制技术,拟采用SVPWM控制策略控制PWM整流器中的IGBT的通断时间来模拟电机的实时电流。
3)模拟负载变换器的电流控制策略研究与仿真实现。
4)模拟电动机负载电流指令生成,建立阻感负载和异步电动机负载的数学模型,使用simulink实现指令电流生成部分的设计与仿真
5)运用MATLAB中的simulink工具箱对整个系统进行设计,并完成整个基于三电平变化器的电力电子负载系统的仿真工作,最后对仿真结果进行简要的分析,验证设计的正确性。
第2章 基于三电平变换器的电力电子
负载的主电路基础知识
2.1 电力电子负载的基本原理
电力电子负载的原理图如图2.1所示,本文设计的基于三电平变换器的电力电子负载主要由主电路(即图中电力电子变换器部分)和控制电路(即指令电流生成部分和电流控制器部分),其中主电路部分的主要功能是跟踪指令电流,控制电路部分主要功能是产生指令电流,并控制主电路中的开关管来跟踪指令电流;其中主电路部分为电力电子变换器,一般为PWM整流器,而控制电路部分主要是电流控制器,下面首先详细分析主电路部分的PWM整流器,在下一种则详细介绍三相电压型PWM整流器的电流控制技术。

图2.1 电力电子负载原理图
2.2 PWM整流器的原理及分类
整流器是较早应用于交直变换电路的器件,发展到现在,它主要代表PWM整流器,PWM整流电路主要由开关管电路组成,通过控制开关管的开通与关断来控制整流器工作于不同的状态,PWM整流器一般有两个工作状态,即整流状态和逆变状态,整流状态就是将交流变为直流,逆变状态则是将直流变为交流,简单的整流电路有单相半波整流电路,单相全波整流电路,三相半波整流电路等等,现
在整流电路往多电平方向发展,相应的电路也越来越复杂[2]。如图2.2所示为PWM整流器的模型电路。

图2.2 PWM整流器模型电路
对于PWM整流器,又可以进行分类,例如可以分为电压型PWM整流器,电流型PWM整流器,按电平数又可以分为两电平、三电平、多电平,在设计应用之中必须根据相应的要求来选择相应的整流器。
本文由于模拟三相异步电机负载,拟采用三相PWM整流器;进一步考虑,本文拟设计一种适用与中高压情况下的电力电子负载,显然,两电平的电路不能够满足要求,考虑到这些,最后确定所设计的电力电子负载的模拟侧变换器采用三相三电平电压型PWM整流器。
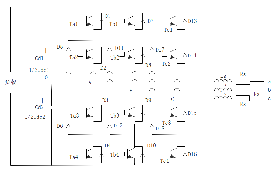
2.3 三相三电平电压型PWM整流器的拓扑结构
如图2.3所示,为三相三电平电压型PWM整流器的结构图,该图中 12个晶闸管组成的开关电路,图中18个二极管组成续流以及钳位电路,Ls为等效电感,为等效电阻,Cd为两个滤波电容,它们的电压分别为和;由图可知,相比于传统的两电平PWM整流电路,三电平PWM整流电路中的开关管多了一倍,这在一定程度上提高了电路的耐压度,传统的两电平PWM整流电路只能应用于低压场合,而提高耐压度的三电平PWM整流电路则可以应用于中压场合,其次三电平PWM整流电路也能够在一定程度上降低波形的畸变率;另一方面,由于电路中开关管数量的增加,三电平PWM整流电路的控制比传统的两电平PWM整流电路的控制复杂得多[3]。

图2.3 三相三电平PWM整流器结构图
2.4 三相三电平VSR的工作原理及数学模型
2.4.1 三相三电平VSR的工作原理
如图2.3所示,由三相三电平VSR的开关函数可知,可以用开关函数Sa来代表开关管T1~T4的开断[4],因此得到Sa的表达式为:
(2.1)
由式(2.1)可以分别将a、b、c相桥臂等效为一个有三种状态的开关元件,得出三相三电平VSR的等效电路,如图2.4所示。

图2.4 三相三电平VSR的等效电路
为了为后面建立系统数学模型打好基础,可将开关函数表示为以下形式:当Sa=0时,定义Sa1=0,Sa2=1,Sa3=0;当Sa=1时,定义Sa1=1,Sa2=0,Sa3=1;当Sa=2时,定义Sa1=1,Sa2=0,Sa3=0。运用同样的方法可得b相和c相的开关函数[5]。
2.4.2 三相三电平VSR在ABC坐标系下的数学模型
以上是毕业论文大纲或资料介绍,该课题完整毕业论文、开题报告、任务书、程序设计、图纸设计等资料请添加微信获取,微信号:bysjorg。
相关图片展示:







课题毕业论文、开题报告、任务书、外文翻译、程序设计、图纸设计等资料可联系客服协助查找。
