CDMA通信系统中的接入信道部分仿真与分析毕业论文
摘 要
自移动通信产业出现以来,成为了改变人们生活的高新技术产业之一。CDMA作为3G技术中重要的一部分,为经济发展和社会进步做出了很大的贡献。现在虽然由于4G通信系统在发达地区的普及,已有的传统CDMA通信系统市场不断萎缩,但是CDMA通信系统仍然在广大的范围内有重要的作用。本次毕业设计的主要任务是对CDMA通信系统中的接入信道进行仿真。首先,对仿真所需软件Matlab/Simulink进行学习,并熟悉其中模块的用法。其次需要了解在IS-95标准下的CDMA通信原理及系统结构。着重学习了需要在信道编码过程中要用到的卷积码、交织技术和码扩展技术。最后在仿真软件中完成了整体信道的仿真。
关键词:CDMA;Matlab/Simulink;卷积;交织技术;码扩展
Abstract
Since the emergence of mobile communication industry, it has become one of the high-tech industries that change people's lives. As an important part of 3G technology, CDMA has made great contributions to economic development and social progress. Although the market for traditional CDMA communication systems has been shrinking due to the popularization of 4G communication systems in developed regions, CDMA communication systems still play an important role in a wide range of applications. The main task of this graduation project is to simulate the access channel in the CDMA communication system. First, learn the required software Matlab/Simulink and familiarize yourself with the usage of the modules. Second, we need to understand the CDMA communication principle and system structure under the IS-95 standard. It focuses on learning the convolutional codes, interleaving techniques, and code extension techniques that are needed in the channel coding process. Finally, the simulation of the overall channel is completed in the simulation software.
Key words: CDMA;Matlab/Simulink;convolution;Interweaving technology;Code expansion
目 录
第1章 绪论 1
1.1 背景 1
1.2 研究的目的及意义 1
1.3 课题研究内容及预期目标 1
1.4 本章小结 1
第2章 仿真原理介绍 2
2.1 CDMA移动通信技术 2
2.1.1 CDMA发展历程 2
2.1.2 CDMA原理 3
2.1.3 CDMA关键技术 3
2.1.4 CDMA通信技术的优点 5
2.2 CDMA信道结构 6
2.2.1 前向信道 7
2.2.2 反向信道 9
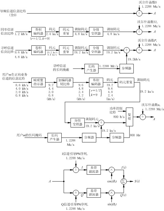
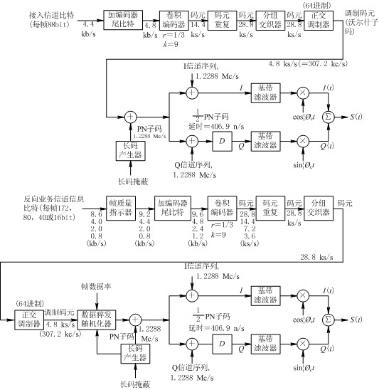
2.2.3 接入信道 10
2.3 本章小结 11
第3章 仿真软件介绍 12
3.1 Matlab/Simulink特点及工作原理 12
3.1.1 Matlab/Simulink特点 12
3.1.2 Simulink仿真的工作原理 12
3.2 Simulink常用操作 13
第4章 相关编码技术介绍 14
4.1 卷积编码 14
4.2 交织技术 16
4.3 沃尔什函数 17
4.4 码扩展 17
4.4.1 直接序列扩谱 17
4.4.2 跳频扩谱 18
第5章 各模块说明及仿真结果 19
5.1 卷积编码 19
5.2 块交织 19
5.3 码扩展 20
5.4 整体仿真结果图 20
第6章 结论 22
参考文献 23
致谢 24
第1章 绪论
1.1 背景
上个世纪70年代,集成电路发展迅速,数字化的控制系统出现,推动了蜂窝网通信的研究与发展。随即而来的是基于FDMA(频分多址)技术的第一代模拟移动通信(1G),第一个1G移动通信系统AMPS,由美国发明,实现了大范围的无线语音通信。自此开始,移动通信行业成为了改变人们生活的高新技术产业之一,并蓬勃发展。20世纪80年代,基于TDMA(时分多址)技术,第二代移动通信技术(2G)数字蜂窝网出现,GSM标准是第一个用于商业的系统[1]。2G系统将语音和传输的各种数据实现全面的数字化,不仅大大优化了通话的质量,系统的容量也得到了提升。
在FDMA(频分多址)模拟通信系统,以及TDMA(时分多址)数字通信系统的基础上,20世纪90年代,CDMA(码分多址)技术,被用于发展新一代的蜂窝网技术。第三代通信系统由于其良好的通信质量,较大的带宽,可以承载一些新的多媒体业务。网络的容量有明显提升,建立通信连接更加稳定并且速度快。现有的用于商业的标准包括WCDMA和CDMA2000,以及2001年通过3GPP认定的中国特有的TD-SCDMA标准。
第四代移动通信系统(4G),是真正的高速移动通信系统,最高能提供20Mbps标准速率[2]。业务增加了多媒体交互,高质量语音和影像的传送,高速互联网接入,并且拥有更好的保密性。是现如今移动通信系统的中流砥柱,已在世界范围内得到了广泛的应用,为人们的生活带来了便利,促进了社会进步和经济发展,在21世纪信息时代扮演了不可或缺的重要作用。
1.2 研究的目的及意义
本次仿真的接入信道正是第三代移动通信系统CDMA系统中反向信道的一部分[3]。目前由于4G通信系统在发达地区的普及,已有的传统CDMA通信系统市场不断萎缩,但是CDMA通信系统仍然在广大的范围内有重要的作用,并且在亚非的一些新兴国家,较低的移动通信渗透率仍然给CDMA留有发展空间。
在现代科学中,很多研究的对象无法通过传统的方式来模拟实验,因此要研发或者更新一个技术,通常采用仿真的办法。仿真可以检测系统的工作情况,很多时候是做决策的重要参考资料。通信系统的仿真是指根据实际通信系统的结构和运行原理,建立相应的数学描述,并对其参数和性能进行模拟。系统建模和仿真技术可以将研究人员的构想化为实际产品,便捷、高效、精确且成本低。
1.3 课题研究内容及预期目标
本课题要对CDMA系统中,接入信道部分进行仿真与分析。
本次课题的预期目标包括以下几个:
(1)熟悉CDMA通信系统工作原理。
(2)掌握卷积编码、块交织和码扩展等相关编码技术。
(3)熟悉并学会SIMULINK部分使用方法。
(4)学习SIMULINK中CDMA模块用法和参数设置。
(5)对接入信道部分进行仿真与分析。
1.4 本章小结
本章介绍了本文的课题背景,移动通信产业发展现状。通过对CDMA发展现状的分析,根据实际需求及其实际状况,明确了课题的目的及意义,课题研究内容及预期目标。
第2章 仿真原理介绍
CDMA接入信道是CDMA系统中反向信道的一部分,是由移动端到基站的上行链路,主要负责开启与基站的通信,以及处理寻呼信道的发来的消息,可以同时处理多个移动端同时接入。同时接入信道还负责随时发送消息报告基站移动端所在的位置,状态以及其他一些基站所需要的信息。本章将先介绍CDMA移动通信技术,然后详细介绍其中各种信道的结构,阐述本次仿真所需要的通信系统知识。
2.1 CDMA移动通信技术
移动通信产业自面世以来,已在世界范围内得到了广泛的应用,为人们的生活带来了便利,促进了社会进步和经济发展,在21世纪信息时代扮演了不可或缺的重要作用。其中CDMA码分多址技术,对频谱的利用更加全面,容量大,保密性优秀,成为了第三代移动通信系统首选的多址方式和关键核心技术[4]。
2.1.1 CDMA发展历程
Code Division Multiple Access,中文译为码分多址技术,具有良好的抗干扰性和保密性,最初被用于军事抗干扰系统之中。在1989年,美国高通公司开始使用CDMA技术,发展新一代的蜂窝移动通信系统。1995年,第一个得到应用的,CDMA移动通信技术标准IS-95A由ANSI发布,1999年发布了第二个版本IS-95B,但此时CDMA还被划为第二代移动通信技术,由于标准成熟过早,而通信产业发展的时机节点未到,这两个版本的标准并没有得到主流的运营商的大范围使用及推广。
从2000年开始,CDMA作为3G技术的中流砥柱,经历了IS-20001x Rev 0、IS-20001x Rev A、IS-20001x Rev C、IS-20001x Rev D以及3GEV-DO的EV-DO Rev A、EV-DO Rev B等发展阶段。我国自主研发的TD-SCDMA标准于2001年被3GPP承认,成为中国移动的3G网络制式[5]。中国联通的3G网络制式为WCDMA,中国电信的为CDMA2000。
纵观CDMA商用技术的发展历程,可以发现CDMA具有如下几个优点:第一、良好的后向兼容性,CDMA各个标准都采用相同的1.25M频宽的射频,所以可以对上一个版本实现空中接口的兼容,升级设备只需要扩容基带,降低了运营商升级更新网络的成本;第二、CDMA在每个发展阶段都优于3GPP对应阶段的要求,有其技术领先的优势;第三、CDMA的领导者高通拥有高水平的芯片研发技术,还有主流设备厂家的积极协作开发,使得CDMA比GSM拥有更快的商用进程,在应用推广上占有优势。
现如今,由于4G通信系统在发达地区的普及,已有的传统CDMA通信系统市场不断萎缩,但是CDMA通信系统仍然在广大的范围内有重要的作用,并且在亚非的一些新兴国家,较低的移动通信渗透率仍然给CDMA留有发展空间。
2.1.2 CDMA原理
在CDMA的通信过程中,在原始信息被转换为数字编码之后,用一个远大于原始数据带宽的高速码对信号进行调制,这个过程叫做扩频,其中使用的高速序列码被称为伪随机码或者伪随机噪声。所谓扩频,就是通过信号相乘,扩展了原有信号的频谱带宽。每一个原始信息的数字编码都会被分配一个伪随机码进行扩频。在接收端,通过相关器可以只接受特定的伪随机码,不是该正交序列的信号不会被解调,这样可以提取指定的信号。

图2.1 CDMA原理示意图
我们可以将码分多址与频分多址、时分多址,三种多址技术进行比较[6]。频分多址中,不同用户使用不同频段的信道,实现多用户同时通信;时分多址中,不同的用户,使用同一信道中不同的时间段,使用实现多用户同时通信;码分多址通过将原始信号扩频,多个用户可以在同一时间频段上,通过伪随机码的不同来使用不同的业务信道。在技术上,则为通过区分编码来调制和解调多个用户。
2.1.3 CDMA关键技术
1.功率控制技术
在实际应用中,由于连接同一个基站的多个用户是在同一个频段上,上行频道中会有自干扰现象。距离基站较近的用户,信号功率较大,距离基站远的终端信号功率小,而基站解码需要一定的信噪比,因此距离远的终端传送的信号会被泯灭,称为CDMA中的远近效应。而通过频分和时分来实现多址的GSM系统并不会有这种效应产生。为了解决这一效应,通信科学家们选择用基站来控制终端发射功率,不管终端距离基站远近,其到达基站的信号的功率处于同一水平上。这样既能保证通信质量,又可以减轻对距离远的终端信号的干扰。
衡量该信号是否需要功率控制,不能仅仅通过判断该信号的功率大小,而应通过判断该信号的信噪比C/I。而通过高达1500次/秒的高速功率控制,可以用来克服快衰落的挑战[7]。
功率控制分为如下几种类型:
(1)前向功率控制,基站根据终端发来的数据,调整自己的发射功率,使得对每个终端,基站都可以提供适当的前向链路功率。
(2)反向开环功率控制,移动终端可以根据其在基站周围接收到的功率大小,来判断自己所处的位置距离基站远近,然后调整发射功率大小,使不同的终端发射的信号在到达基站时有同一水平的功率。可以用来减少阴影和拐弯效应。
(3)反向闭环功率控制,在(2)的过程结束后,基站会迅速对移动终端的功率控制作出反应,来调整移动终端发射功率使其始终保持一个理想的发射功率。
2.码技术
在移动通信的各个发展阶段,编码的选择都直接影响了整个通信系统的各方面的性能。而在CDMA系统中,最重要的就是用于区分不同信道的PN码。直接影响到系统容量,抗干扰能力,及接入和切换速度[8]。这就需要这个PN码有良好的自相关性,随机误差项的各期望值之间存在着相关关系。而不同的PN码之间的相关性要尽可能的少。CDMA采用m序列作为区分不同终端的伪随机序列,“伪”的意思就是指m序列并不是一个完全随机生成的序列,而是有一定规律的周期化编码。215-1的m序列,被用于基站的识别码,也称之为短码;242-1的m序列,被用作终端的识别码,也称之为长码。在后文中我们将详细介绍这种在CDMA中起关键作用的码技术。
3.软切换技术
在GSM中,相邻的小区基站不能采用相同的频点,以免相邻基站发射的信号会成为噪音,对通信质量产生影响。而在CDMA中,不同基站采用同一频段,所以会有这种情况发生,当用户与基站1通信时,相邻的基站2发射的信号功率过强,终端接收到的除了基站1发来的有用信号,还有基站2的大功率噪音,会使通话无法进行。在高通公司研发CDMA之初,就遇到了这样的情况。
一般情况下,如果终端距离基站1渐行渐远,信号质量已经低于标准之下,而同时附近有新的距离较近的基站2时,终端会切断与基站1的连接,然后连接基站2进行通信,这个过程叫做“切换”。而在CDMA系统中,当基站1的信号质量变差时,周围的基站2、基站3也会同时与终端建立通信,由基站的上一级RNC发给每个基站相同的通信数据,然后基站根据距离远近及信噪比C/I,来调整每个基站的发射功率,来保证通信质量。其中,已经与终端连接并传送数据的基站被称为“激活集”;附近仍会有基站连接终端,来检测信号质量,而暂时未与终端进行通信,这样的基站被叫做“监测集”。
可以看出,与“切换”不同,CDMA系统中的基站并不只是单纯切断并重新连接终端,各个基站都可以与终端同时建立双向通路,所以这种技术被称为“软切换”,是CDMA系统中的重要技术之一[9]。
4.RAKE接收技术
在移动通信中,信道是多径衰落的[10]。在接受时,可以通过同时接受多路信号,解调后加性输出,来达到增强接受效果的目的。这样可以使得多径信号称为CDMA系统一个可供利用的有利因素[11]。RAKE接收端由Searcher、Finger、Combiner三部分组成。通常每个基站的RAKE有四个Finger,每个终端有三个Finger。
5.话音编码技术
CDMA系统为每一个声码速率匹配了一个阈值,可以通过噪声的变化,输出不同的数据速率,从而抑制噪声。CDMA采用过的话音编码技术包括CLEP、QCEP8K13K、EVRC等。
2.1.4 CDMA通信技术的优点
1.抗干扰性能好。用一个远大于原始数据带宽的高速码对信号进行调制,与同频段窄带互不干扰,可以同时工作。
2.抗多径衰落能力强。在之前的通信技术中,多径衰落一直是一个难点,影响了通信质量,需要很多资源加以控制。而在CDMA中,RAKE缓和了瑞利衰落和慢衰落,提高了通信质量。
3.系统容量大。通过功率控制和软切换,CDMA的系统容量很大。可以通过降低通话质量来增加超额的终端接入,运营商可以在通话质量和容量之间进行平衡。容量比模拟网大十多倍,比GSM也大了四五倍。
4.通信质量好、速度快。CDMA中应用的一系列新技术,为系统提供了高速高质量的数据传输,使得该系统可以应用多媒体系统传输多种业务信息。
5.频率利用率高、规划灵活。相邻的小区,可以使用同一频段,用不同的码来区分终端和扇区。提高了频率利用率,也方便运营商进行小区规划。
6.多址能力强。
7.保密性能好。原本用于军事的多址技术,使得系统有良好的保密性。再加上一定的加密算法,使得安全性能大大提升。
2.2 CDMA信道结构
信道,指信号传输的通道,或者说是信号传输的媒介。广义的信道包括相关的变换装置,如发送、接收设备,调制与解调器等等。单纯的传输媒质分为有线和无线两种,有线信道有电线和光缆,无线信道的传输方式有地波传输,短波电离层反射、超短波或微波视距中继等[12]。
CDMA系统中,需要覆盖的区域被分为一个个的六边形,连起来像蜂窝一样,每一个六边形被称为一个“小区”。每个小区中有一个基站,负责与该区域内的终端进行通信。使用的信道依据其功能不同被分为几个种类,其中从基站发往终端的下行链路,叫做前向信道;由终端发往基站的上行链路,叫做反向信道。如图所示

图2.2 信道示意图
以上是毕业论文大纲或资料介绍,该课题完整毕业论文、开题报告、任务书、程序设计、图纸设计等资料请添加微信获取,微信号:bysjorg。
相关图片展示:







课题毕业论文、开题报告、任务书、外文翻译、程序设计、图纸设计等资料可联系客服协助查找。
